純正パーツカタログよりご注文又はお見積
BRP SEA DOO  2002年式  GTI LE 5560 > エンジンサポートマフラー

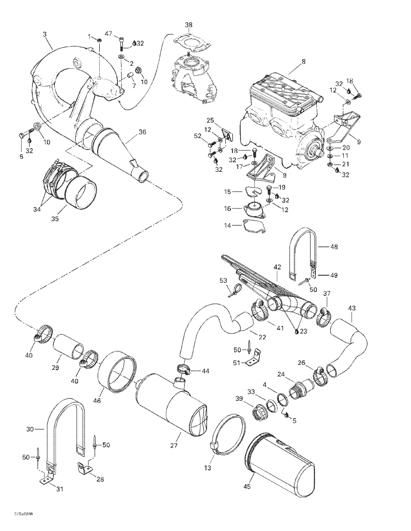
見出番号

部品番号

部品名

数量

1

232081600

NUT-HEXAGONAL DIN.934A2

2

211200051

WASHER-FLAT

3

274000980

PIPE-HEAD

4

293250041

GASKET

5

296000309

SEAL-SILICONE

6

207084060

SCREW-HEX.CAP DIN.931A2

7

274000114

BUSHING

9

270000180

SUPP-ENGINE RH

9

270000181

SUPP-ENGINE LH
L.H.

10

293830031

BUSHING-RUBBER

11

234101601

WASHER-LOCK HELICAL

12

234081600

WASHER-FLAT DIN.125A-A2

13

293750020

TIE-RAP 838MM

14

270000006

SHIM-0.40MM

14

270000007

SHIM- 1-3MM
Shim

15

270000024

SHIM- 0-4MM

15

270000025

SHIM- 1-3MM
Shim

16

270000425

MOUNT-RUBBER

17

234082600

WASHER-FLAT DIN.9021B-A2

18

207182560

SCREW-HEX.CAP DIN.933A2

19

207183060

SCREW-HEX.CAP DIN.933A2

20

234001600

WASHER-FLAT DIN.125A-A2

21

232001600

NUT-HEXAGONAL DIN.934A2

22

274000873

HOSE-EXHAUST

23

293800090

SEALANT

24

274000843

OUTLET-EXHAUST

25

270000179

SUPP-ENG.FRONT

26

293650064

CLAMP-TRIDON

27

274000788

MUFFLER-NOIR

28

293850029

CLIP-STRAP 90

29

274000032

HOSE-EXHAUST

30

293850036

STRAP-FUEL TANK

31

293850069

CLIP-STRAP 90

32

293800060

LOCTITE-243

33

274000225

WASHER-STABILIZING

34

293650068

CLAMP-NORMA

35

274000074

RING-SEALING

36

274000488

CONE-EXHAUST

37

204000079

CLAMP-TRIDON

38

290950255

GASKET

39

274000224

NUT-72MM

40

293650023

CLAMP-TRIDON

41

293650107

CLAMP-TRIDON

42

274000700

RESONATOR-LH.

43

274000874

HOSE-EXHAUST

44

293650023

CLAMP-TRIDON

45

274000806

COVER MUFFLER

46

274000803

COVER MUFFLER

47

205003060

SCREW-SOCKET HD.DIN.912A2

48

293850026

STRAP-FUEL TANK

49

293850024

CLIP-STRAP

50

293150037

RIVET-AVDEL 3/16

51

293850030

CLIP-STRAP

52

207182060

SCREW-HEX.CAP DIN.933A2

53

414115200

TIE-RAP 180MM