純正パーツカタログよりご注文又はお見積
BRP SEA DOO  2002年式  GTX 4TEC 5573/5593 > エンジンサポート/マフラー

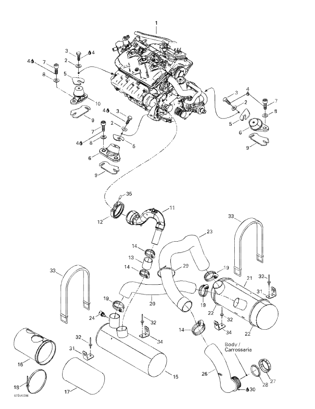
見出番号

部品番号

部品名

数量

1

270000504

ENGINE-1503

2

234082600

WASHER-FLAT DIN.9021B-A2

3

207182560

SCREW-HEX.CAP DIN.933A2

4

293800060

LOCTITE-243

5

270000025

SHIM- 1-3MM

5

270000024

SHIM- 0-4MM
Shim

6

270000510

RUBBER MOUNT

7

205084060

SCREW-SOCKET HD.DIN.912A2

8

250200018

WASHER-CONE

9

270000446

SHIM- 1-3MM

9

270000445

SHIM- 0-3MM
Shim

10

270000489

RUBBER MOUNT

11

274000958

EXHAUST PIPE

12

274000959

EXHAUST CLAMP

13

274000961

HOSE-EXHAUST

14

293650006

CLAMP-TRIDON

15

274000846

MUFFLER

16

274000851

COVER-MUFFLER

17

274000852

COVER-MUFFLER

18

293750020

TIE-RAP 838MM

19

293650107

CLAMP-TRIDON

20

274000840

HOSE-EXHAUST

21

274000855

MUFFLER-PAINTED

22

293830034

STRIP-RUBBER

23

274000841

HOSE-EXHAUST

24

278001016

SENSOR-LIQUID

25

293800038

LOCTITE-518

26

274000901

OUTLET-EXHAUST

27

274000224

NUT-72MM

28

274000225

WASHER-STABILIZING

29

293750008

TIE-RAP 350MM

30

296000309

SEAL-SILICONE

31

293850029

CLIP-STRAP 90

32

293150037

RIVET-AVDEL 3/16

33

293850036

STRAP-FUEL TANK

34

293850069

CLIP-STRAP 90

35

415080200

POLYURETHANE HOSE