
|
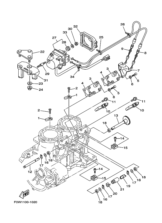
見出番号 |
部品番号 |
部品名 |
数量 |
1 |
66E-11325-00 |
ANODE
|
|
2 |
98780-05020 |
SCREW, FLAT HEAD
|
|
3 |
66E-1131M-01-8P |
COVER
|
|
4 |
66E-1131B-01 |
GASKET, COVER
|
|
5 |
97013-06025 |
ボルト
|
|
6 |
92903-06600 |
ワツシヤ,プレ-ト
|
|
7 |
66E-11998-10 |
BRACKET 1
|
|
8 |
66E-1133E-10 |
CABLE, PULLEY 1
|
|
9 |
66E-1133F-10 |
CABLE, PULLEY 2
|
|
10 |
66E-1131S-10 |
VALVE ASSY
|
|
11 |
90110-05008 |
BOLT, HEXAGON SOCKET HEAD
|
|
12 |
66E-1131V-00 |
SHAFT 1
|
|
13 |
66E-1132C-00 |
PULLEY, SHAFT
|
|
14 |
90110-04M03 |
BOLT, HEXAGON SOCKET HEAD
|
|
15 |
66E-11832-01 |
LEVER, LINK
|
|
16 |
90201-08M09 |
WASHER, PLATE
|
|
17 |
93410-08M12 |
CIRCLIP
|
|
18 |
93109-08M07 |
O-RING
|
|
19 |
66E-1131H-00 |
JOINT 1
|
|
20 |
66E-1131J-10 |
JOINT 2
|
|
21 |
66E-1131C-10 |
COVER, JOINT
|
|
22 |
GU0-6824E-00 |
【販売終了】BRACKET, YPVS
|
|
23 |
9299R-08200 |
ワツシヤ YMUS
|
|
24 |
9572R-08300 |
ナツト,フランジ YMUS
|
|
25 |
90601-200U2 |
バンド YMUS
|
|
26 |
90601-200U2 |
バンド YMUS
|
|
27 |
66E-85820-20 |
サ-ボモ-タアセンブリ
|
|
28 |
90480-14023 |
GROMMET
|
|
29 |
90116-06M67 |
BOLT, STUD
|
|
30 |
9572R-06300 |
ナツト,ナイロン YMUS
|
|
31 |
66E-85112-00-94 |
BRACKET, REFLECTOR 1
|
|
32 |
66E-85825-00 |
COVER, WIRE
|
|
33 |
90201-065F3 |
WASHER, PLATE
|
|
34 |
90465-11M10 |
クランプ
|
|
|