純正パーツカタログよりご注文又はお見積
BRP SEA DOO  2009年式  WAKE PRO 215 269B > クーリングシステム

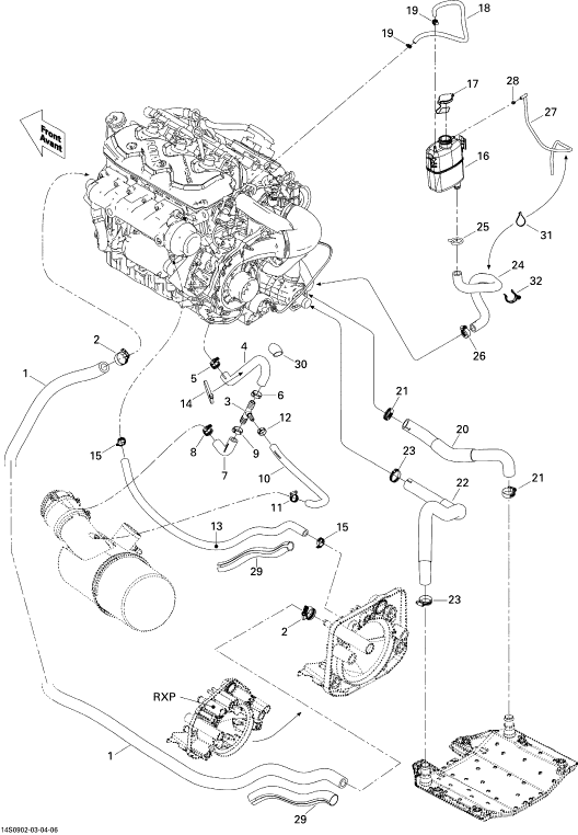
見出番号

部品番号

部品名

数量

1

276000138

HOSE-FORMED

2

293650051

CLAMP-TRIDON

3

293710116

FITTING-T

4

276000191

HOSE-FORMED

5

293650172

HOSE CLAMP

6

293650012

CLAMP-OETIKER

7

276000137

HOSE-FORMED

8

293650172

HOSE CLAMP

9

293650012

CLAMP-OETIKER

10

276000209

HOSE-FORMED

11

293650171

HOSE CLAMP

12

293650030

CLAMP-OETIKER 185

13

276000151

HOSE-12 5MM (PC=1M)

14

414115200

TIE-RAP 180MM

15

293650172

HOSE CLAMP

16

276000086

TANK-COOLANT

17

276000100

PRESSURE CAP ASSY

18

275500670

HOSE-1/4 (PC=1)

19

293650170

HOSE CLAMP

20

276000120

HOSE-RIGHT

21

293650045

CLAMP-TRIDON

22

276000145

HOSE-LEFT

23

293650045

CLAMP-TRIDON

24

276000122

HOSE-MOLDED

25

293650115

CLAMP-SPRING

26

293650019

CLAMP-TRIDON

27

415080200

POLYURETHANE HOSE

28

293750001

TIE-RAP 94MM

29

409902200

TUBING-25MM

30

276000162

SHRINK TUBING

31

414115200

TIE-RAP 180MM

32

275500526

RETAINER