純正パーツカタログよりご注文又はお見積
BRP SEA DOO  2007年式  RXP215 217B/D > クーリングシステム

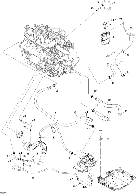
見出番号

部品番号

部品名

数量

1

276000158

HOSE-19MM (PC=1M)

2

293650051

CLAMP-TRIDON

3

276000151

HOSE-12 5MM (PC=1M)

4

293650172

HOSE CLAMP

5

276000086

TANK-COOLANT

6

276000100

PRESSURE CAP ASSY

7

276000127

LATCH

8

275500549

HOSE-1/4 (10M/PAC)

9

293650170

HOSE CLAMP

10

276000120

HOSE-RIGHT

11

293650114

CLAMP-SPRING

12

293650045

CLAMP-TRIDON

13

276000145

HOSE-LEFT

14

293650114

CLAMP-SPRING

15

293650045

CLAMP-TRIDON

16

276000122

HOSE-MOLDED

17

275500526

RETAINER

18

293650115

CLAMP-SPRING

19

293650019

CLAMP-TRIDON

20

415080200

POLYURETHANE HOSE

21

293750001

TIE-RAP 94MM

22

276000155

HOSE-FORMED

23

293650172

HOSE CLAMP

24

276000136

HOSE-FORMED

25

276000137

HOSE-FORMED

26

293710116

FITTING-T

27

293650171

HOSE CLAMP

28

509000093

HOSE-8MM

29

293800013

SEALANT-PIPE

30

293700024

FITTING-ELBOW

31

293650172

HOSE CLAMP

32

293650173

HOSE CLAMP

33

293750008

TIE-RAP 350MM

34

409902200

TUBING-25MM

35

276000125

SHRINK TUBING

36

414115200

TIE-RAP 180MM