
|
見出番号 |
部品番号 |
部品名 |
数量 |
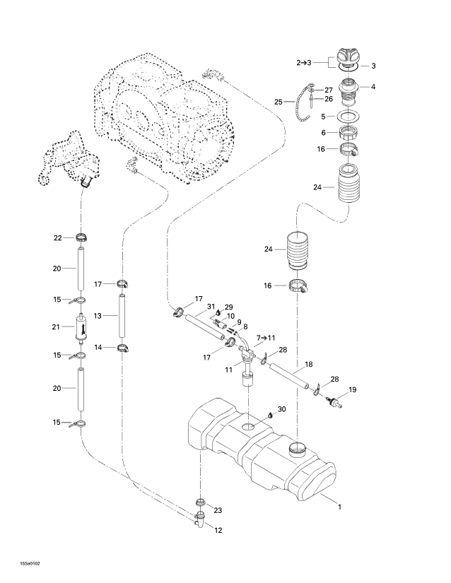
1 |
275000238 |
TANK-OIL ASSY.
|
|
2 |
275000186 |
CAP-OIL ASSY.
|
|
3 |
293250025 |
RING-O
|
|
4 |
275000212 |
NECK-FILLER
|
|
5 |
293250016 |
GASKET
|
|
6 |
211100013 |
NUT-NECK FILLER OIL
|
|
7 |
278001401 |
SENSOR-OIL
|
|
8 |
278000218 |
SEAL-WIRE
|
|
9 |
278000222 |
TERMINAL-MALE
|
|
10 |
278000217 |
CONNECTOR_DELPHI MALE 2 CAVITIES
|
|
11 |
293720008 |
GROMMET
|
|
12 |
293710051 |
FITTING-ELBOW
|
|
13 |
275000008 |
HOSE-12MM
|
|
14 |
293650084 |
CLAMP-NORMA
|
|
15 |
293750001 |
TIE-RAP 94MM
|
|
16 |
293650035 |
CLAMP-TRIDON
|
|
17 |
293650038 |
HOSE CLAMP
|
|
18 |
275500139 |
HOSE-6MM.(4.572M/PAC)
|
|
19 |
275500398 |
VALVE-CHECK
|
|
20 |
275000007 |
HOSE-8MM.(10M/PAC)
|
|
21 |
275000051 |
FILTER-OIL
|
|
22 |
293650042 |
CLAMP-OETIKER
|
|
23 |
293720008 |
GROMMET
|
|
24 |
275000188 |
HOSE-FIL.NECK
|
|
25 |
275500015 |
CHAIN-CAP OIL
|
|
26 |
390407900 |
RIVET-POP 1/8
|
|
27 |
234032600 |
WASHER-FLAT DIN.9021B-A2
|
|
28 |
293750002 |
TIE-RAP 130MM
|
|
29 |
293550004 |
GREASE-DIELECT DC4
|
|
30 |
413802900 |
OIL 2T 12X1 MINERAL
|
|
30 |
413803000 |
OIL 2T 3X1 G MINERALE Injection
|
|
30 |
413803200 |
HUILE INJ.-INJ205L45G (BARIL)( Injection
|
|
30 |
413710500 |
OIL 2T 12X1 SYNTH Synthetic
|
|
30 |
413711000 |
OIL-XPS SYNTH. 3X4L Synthetic
|
|
30 |
413710700 |
OIL-INJ2STROKE Synthetic
|
|
30 |
293600032 |
OIL 2T 12X1 SYNTH Synthetic
|
|
30 |
293600033 |
OIL-FOR.3X4LT Synthetic
|
|
30 |
293600034 |
OIL-FOR205L45G (BARIL) Synthetic
|
|