
|
見出番号 |
部品番号 |
部品名 |
数量 |
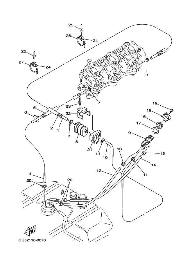
1 |
90445-11M59 |
HOSE (L1400)
|
|
2 |
90446-17MA7 |
HOSE
|
|
3 |
90465-11M10 |
クランプ
|
|
4 |
90445-11M60 |
【販売終了】HOSE (L910)
|
|
5 |
90446-17MA8 |
HOSE
|
|
6 |
90464-13M54 |
【販売終了】CLAMP
|
|
7 |
90465-11M10 |
クランプ
|
|
8 |
66V-24560-00 |
FILTER ASSY
|
|
9 |
66V-24500-02 |
FUEL COCK ASSY 1
|
|
10 |
90445-11M63 |
HOSE (L740)
|
|
11 |
90465-11M10 |
クランプ
|
|
12 |
90445-11M61 |
HOSE (L600)
|
|
13 |
90465-11M10 |
クランプ
|
|
14 |
90445-11M62 |
HOSE (L600)
|
|
15 |
90465-11M10 |
クランプ
|
|
16 |
90170-22187 |
ナツト
|
|
17 |
90202-22922 |
WASHER, PLATE
|
|
18 |
F0D-6777C-00 |
LEVER, COCK
|
|
19 |
98980-04008 |
スクリユ,バインド
|
|
20 |
90465-11M10 |
クランプ
|
|
21 |
EU0-67817-00 |
エルボ-
|
|
22 |
EU0-67816-30 |
ステ-,コツク
|
|
23 |
90267-48940 |
リベツト,ブラインド
|
|
24 |
90600-91736 |
クランプコンプリート
|
|
25 |
90267-48925 |
リベツト,ブラインド
|
|
26 |
90601-20006 |
バンド
|
|
27 |
90601-20009 |
BAND
|
|
|