
|
見出番号 |
部品番号 |
部品名 |
数量 |
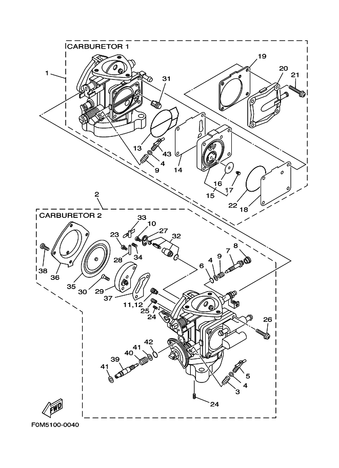
1 |
62T-14301-02 |
CARBURETOR ASSY 1
|
|
2 |
62T-14302-02 |
CARBURETOR ASSY 2
|
|
3 |
47X-14133-00 |
スプリング,スロツトルストツプ CARBURETOR2
|
|
4 |
812-14235-00 |
ワツシヤ,ニ-ドル
|
|
5 |
6M6-14521-00 |
SCREW, ADJUST CARBURETOR2
|
|
6 |
818-14147-00 |
【販売終了】 O-RING
|
|
7 |
6K8-14946-10 |
METERING NEEDLE
|
|
8 |
6K8-14471-10 |
キヤツプ,キヤブレタ
|
|
9 |
3KW-14932-00 |
スプリング,スロツトル 2
|
|
10 |
6M6-14503-00 |
スクリュー
|
|
11 |
3G2-14231-26 |
ジエツト,メイン (#130) CARBURETOR1
|
|
12 |
3G2-14231-24 |
JET, MAIN (#120) CARBURETOR2
|
|
13 |
6K8-14564-00 |
O-リング
|
|
14 |
6K8-24411-20 |
ダイヤフラム CARBURETOR1
|
|
15 |
6M6-24413-01 |
BODY 2 CARBURETOR2
|
|
16 |
65U-24421-00 |
バルブ,チエツク CARBURETOR3
|
|
17 |
65U-24492-00 |
ブッシュ,フュエルポンプ CARBURETOR4
|
|
18 |
6K8-24421-10 |
バルブ,チエツク CARBURETOR5
|
|
19 |
6K8-24431-20 |
ガスケツト,フユエルポンプ 1 CARBURETOR6
|
|
20 |
62T-14293-00 |
COVER 1 UR/CARBURETOR2
|
|
20 |
6K8-24452-10 |
カバ- UR/CARBURETOR1
|
|
21 |
97980-05330 |
スクリユ,ウイズワツシヤ CARBURETOR1
|
|
22 |
6K8-14563-00 |
O-リング CARBURETOR2
|
|
23 |
6K8-14503-02 |
スクリュー
|
|
24 |
6K8-14521-10 |
スクリュー
|
|
25 |
830-1423A-64 |
JET, MAIN (# 675)
|
|
26 |
97890-05018 |
SCREW, PAN HEAD CARBURETOR2
|
|
27 |
6K8-14527-11 |
プレ-ト
|
|
28 |
439-14186-00 |
ピン,フロ-ト
|
|
29 |
6R7-24412-01 |
BODY 1
|
|
30 |
6K8-14523-11 |
スクリユ,ストツプ
|
|
31 |
6R7-14569-00 |
ストレ-ナ
|
|
32 |
61X-14916-15 |
NEEDLE
|
|
33 |
6K8-14547-01 |
ア-ム,フロ-ト
|
|
34 |
6R7-14253-00 |
スプリング
|
|
35 |
6R7-14541-00 |
ダイヤフラム,ポンプ
|
|
36 |
6R7-14542-00 |
ボデ-,ポンプ 1
|
|
37 |
6K8-14536-11 |
ガスケツト
|
|
38 |
97880-05012 |
スクリユ,パンヘツド
|
|
39 |
65U-14923-10 |
SCREW, PILOT
|
|
40 |
6K8-14589-00 |
スプリング
|
|
41 |
822-14235-00 |
ワツシヤ,ニ-ドル
|
|
42 |
583-14561-00 |
O-リング
|
|
43 |
6K8-14521-00 |
SCREW, ADJUST CARBURETOR1
|
|
|