
|
見出番号 |
部品番号 |
部品名 |
数量 |
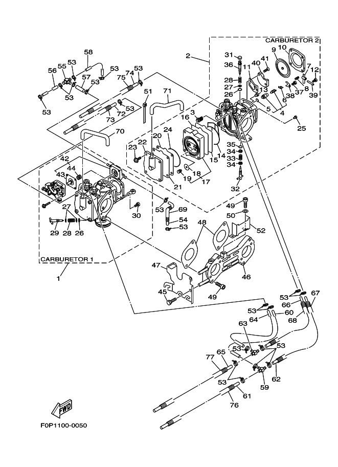
1 |
67A-14301-00 |
CARBURETOR ASSY 1
|
|
2 |
67A-14302-00 |
CARBURETOR ASSY 2
|
|
3 |
6R7-14569-00 |
ストレ-ナ
|
|
4 |
64T-14916-00 |
NEEDLE
|
|
5 |
8F2-14147-00 |
O-RING
|
|
6 |
7EG-14159-00 |
CLIP
|
|
7 |
6K8-14547-01 |
ア-ム,フロ-ト
|
|
8 |
6R7-14253-00 |
スプリング
|
|
9 |
6R7-14541-00 |
ダイヤフラム,ポンプ
|
|
10 |
6R7-14542-00 |
ボデ-,ポンプ 1 CARBURETOR2
|
|
11 |
6K8-14536-11 |
ガスケツト
|
|
12 |
6K8-14503-02 |
スクリュー
|
|
13 |
3G2-14231-30 |
JET, MAIN (#150) UR/CARBURETOR2
|
|
14 |
66E-14563-01 |
O-RING
|
|
15 |
66E-24471-00 |
DIAPHRAGM
|
|
16 |
66E-24411-00 |
DIAPHRAGM
|
|
17 |
66E-24413-01 |
BODY 2
|
|
18 |
66E-24362-00 |
VALVE, CHECK 1
|
|
19 |
65U-24492-00 |
ブッシュ,フュエルポンプ
|
|
20 |
66E-24421-00 |
VALVE, CHECK
|
|
21 |
66E-24431-00 |
GASKET, FUEL PUMP 1
|
|
22 |
66E-24452-00 |
COVER
|
|
23 |
90157-05M17 |
【販売終了】 SCREW, PAN HEAD
|
|
24 |
66E-14564-01 |
O-RING
|
|
25 |
830-14231-18 |
JET, MAIN (# 90)
|
|
26 |
812-14147-00 |
O-リング
|
|
27 |
812-14235-00 |
ワツシヤ,ニ-ドル
|
|
28 |
3KW-14932-00 |
スプリング,スロツトル 2
|
|
29 |
66E-14521-00 |
【販売終了】 SCREW, ADJUST CARBURETOR1
|
|
30 |
97890-05014 |
SCREW, PAN HEAD CARBURETOR2
|
|
31 |
6K8-14471-10 |
キヤツプ,キヤブレタ
|
|
32 |
66E-14211-00 |
SCREW, PILOT ADJUSTING
|
|
33 |
6K8-14589-00 |
スプリング
|
|
34 |
822-14235-00 |
ワツシヤ,ニ-ドル
|
|
35 |
583-14561-00 |
O-リング
|
|
36 |
6K8-14946-10 |
METERING NEEDLE
|
|
37 |
6M6-14503-00 |
スクリュー
|
|
38 |
6K8-14527-11 |
プレ-ト
|
|
39 |
439-14186-00 |
ピン,フロ-ト
|
|
40 |
66E-24412-00 |
BODY 1
|
|
41 |
6K8-14523-11 |
スクリユ,ストツプ
|
|
42 |
66E-14280-00 |
COVER, CARBURETOR CARBURETOR1
|
|
43 |
66E-14170-00 |
DIAPHRAGM ASS'Y CARBURETOR1
|
|
44 |
66E-14286-00 |
SPRING CARBURETOR1
|
|
45 |
90101-06M25 |
BOLT
|
|
46 |
66E-14243-00 |
PLATE
|
|
47 |
66E-14291-00 |
BRACKET 1
|
|
48 |
66E-14398-00 |
GASKET
|
|
49 |
66E-14162-00 |
BOLT, HOLDING
|
|
50 |
90204-06M01 |
WASHER, SPRING
|
|
51 |
4KM-14137-00 |
CLIP
|
|
52 |
66E-14146-00 |
PLATE
|
|
53 |
35H-14139-00 |
CLIP, PIPE
|
|
54 |
3XP-14294-00 |
HOSE
|
|
55 |
4N0-14251-00 |
NIPPLE
|
|
56 |
90445-07M78 |
【販売終了】HOSE
|
|
57 |
90445-07M42 |
HOSE
|
|
58 |
90445-07M79 |
【販売終了】HOSE
|
|
59 |
66E-14251-00 |
NIPPLE
|
|
60 |
90445-10MH0 |
HOSE
|
|
61 |
90445-10MH9 |
【販売終了】HOSE
|
|
62 |
90445-10MH2 |
HOSE
|
|
63 |
66E-14251-00 |
NIPPLE
|
|
64 |
90445-10MH3 |
HOSE
|
|
65 |
90445-10MJ0 |
HOSE
|
|
66 |
90445-10MH5 |
HOSE
|
|
67 |
90446-14M98 |
HOSE
|
|
68 |
90446-14M99 |
HOSE
|
|
69 |
90446-10MA2 |
HOSE
|
|
70 |
66E-24314-00 |
PIPE 4
|
|
71 |
66E-24315-00 |
PIPE 5
|
|
72 |
90446-07M96 |
HOSE
|
|
73 |
90446-10MA0 |
HOSE
|
|
74 |
90446-07M97 |
HOSE
|
|
75 |
90446-10MA1 |
HOSE
|
|
76 |
90446-17ME5 |
HOSE
|
|
77 |
90446-17MA7 |
HOSE
|
|
|