純正パーツカタログよりご注文又はお見積
YAMAHA MarineJet  2000年式  XL MJ-XL800/WHITE > フューエル

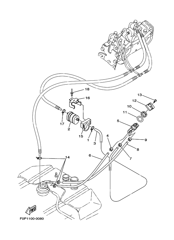
見出番号

部品番号

部品名

数量

1

90465-11829

クランプ
YMUS

2

66V-24560-00

FILTER ASSY

3

90445-11M68

HOSE (L450)

4

90465-11M10

クランプ

5

66V-24500-01

FUEL COCK ASSY 1

6

90445-11M67

HOSE (L450)

7

90465-11M10

クランプ

8

90445-11M69

HOSE (L450)

9

90465-11829

クランプ
YMUS

10

90170-22187

ナツト

11

90202-229U1

WASHER, PLATE
YMUS

12

F0D-6777C-00

LEVER, COCK

13

98980-04008

スクリユ,バインド

14

90465-11829

クランプ
YMUS

15

EU0-U7817-00

HOLDER, FILTER
YMUS

16

FN8-67816-00

BRACKET, FUEL FILTER

17

90465-11829

クランプ
YMUS

18

90267-489U1

リベット,ブラインド
YMUS