
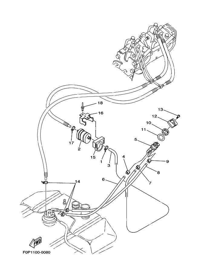
|
見出番号 |
部品番号 |
部品名 |
数量 |
1 |
90465-11829 |
クランプ YMUS
|
|
2 |
66V-24560-00 |
FILTER ASSY
|
|
3 |
90445-11M68 |
HOSE (L450)
|
|
4 |
90465-11M10 |
クランプ
|
|
5 |
66V-24500-01 |
FUEL COCK ASSY 1
|
|
6 |
90445-11M67 |
HOSE (L450)
|
|
7 |
90465-11M10 |
クランプ
|
|
8 |
90445-11M69 |
HOSE (L450)
|
|
9 |
90465-11829 |
クランプ YMUS
|
|
10 |
90170-22187 |
ナツト
|
|
11 |
90202-229U1 |
WASHER, PLATE YMUS
|
|
12 |
F0D-6777C-00 |
LEVER, COCK
|
|
13 |
98980-04008 |
スクリユ,バインド
|
|
14 |
90465-11829 |
クランプ YMUS
|
|
15 |
EU0-U7817-00 |
HOLDER, FILTER YMUS
|
|
16 |
FN8-67816-00 |
BRACKET, FUEL FILTER
|
|
17 |
90465-11829 |
クランプ YMUS
|
|
18 |
90267-489U1 |
リベット,ブラインド YMUS
|
|
|