純正パーツカタログよりご注文又はお見積
YAMAHA MarineJet  2002年式  MJ-XLT1200/WHITE > キャブレター

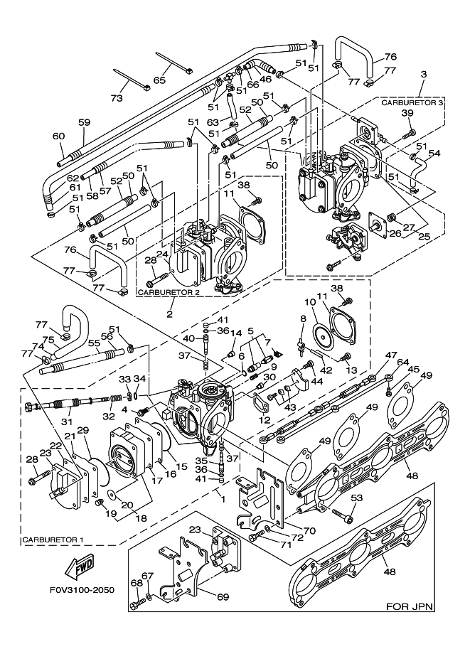
見出番号

部品番号

部品名

数量

1

68N-14301-10

キヤブレタアセンブリ 1
FOR-JPN

2

68N-14302-10

キヤブレタアセンブリ 2
FOR-JPN

3

68N-14303-10

キヤブレタアセンブリ 3
FOR-JPN

4

6R7-14569-00

ストレ-ナ

5

64T-14916-01

NEEDLE

6

8F2-14147-00

O-RING

7

7EG-14159-00

CLIP

8

6K8-14547-01

ア-ム,フロ-ト

9

6R7-14253-00

スプリング

10

6R7-14541-00

ダイヤフラム,ポンプ

11

6R7-14542-00

ボデ-,ポンプ 1
CARBURETOR1.2

12

6K8-14536-11

ガスケツト

13

6K8-14503-02

スクリュー

14

3G2-1423A-74

JET, MAIN (#1175)

15

66E-14563-01

O-RING

16

66E-24471-00

DIAPHRAGM

17

66E-24411-00

DIAPHRAGM

18

66E-24413-01

BODY 2

19

65U-24492-00

ブッシュ,フュエルポンプ

20

66E-24362-00

VALVE, CHECK 1

21

66E-24421-00

VALVE, CHECK

22

66E-24431-00

GASKET, FUEL PUMP 1

23

66V-24452-20

カバ-
CARBURETOR1

24

66V-24452-10

COVER
CARBURETOR2.3

25

66E-14280-00

COVER, CARBURETOR
CARBURETOR3

26

66E-14170-00

DIAPHRAGM ASS'Y
CARBURETOR3

27

66E-14286-00

SPRING
CARBURETOR3

28

90157-05M17

【販売終了】 SCREW, PAN HEAD

29

66E-14564-01

O-RING

30

1HX-1423A-68

JET, MAIN (# 875)

31

66V-14124-00

SCREW, CABLE ADJUSTING
CARBURETOR1

32

3KW-14932-00

スプリング,スロツトル 2
CARBURETOR1

33

812-14235-00

ワツシヤ,ニ-ドル
CARBURETOR1

34

812-14147-00

O-リング
CARBURETOR1

35

66V-14211-00

SCREW, PILOT ADJUSTING

36

93210-03119

O-リング

37

66V-14160-00

COIL, SPRING

38

97880-05010

SCREW, PAN HEAD
CARBURETOR1.2

39

98580-05014

SCREW, PAN HEAD
CARBURETOR3

40

66V-14946-00

PLATE, NEEDLE FITTING

41

66V-1432A-00

PLUG

42

439-14186-00

ピン,フロ-ト

43

66E-24412-01

BODY 1

44

6K8-14523-11

スクリユ,ストツプ

45

68N-14486-00

SCREW, ROD

46

90447-07003

HOSE, WITH SPRING

47

66V-41217-00

ROD, ACCEL LEVER

48

68N-14146-00

【販売終了】プレ-ト
FOR-JPN

49

66E-14398-00

GASKET

50

90445-11M73

HOSE

51

35H-14139-00

CLIP, PIPE

52

90446-17MG6

HOSE

53

68N-14162-00

ボルト,ホ-ルデイング
FOR-JPN

54

90445-07004

HOSE

55

90446-10MG0

HOSE

56

90446-07MG1

HOSE

57

90446-10MG2

HOSE

58

90446-07MG3

HOSE

59

90446-10MG4

HOSE

60

90446-07MG5

HOSE

61

90445-07005

HOSE

62

90447-07004

HOSE, WITH SPRING

63

90445-07003

HOSE

64

68N-14585-00

ROD, CHOKE

65

4KM-14137-00

CLIP

66

66V-14294-00

HOSE

67

4XY-14951-00

WASHER
FOR-JPN

68

68N-14162-10

ボルト,ホ-ルデイング
FOR-JPN

69

68N-14527-00

【販売終了】プレ-ト
FOR-JPN

73

90465-13M60

CLAMP

74

66V-24312-00

PIPE 2

75

90446-14MA9

HOSE

76

66V-24313-01

PIPE 3

77

90460-11M17

CLAMP, HOSE