
|
見出番号 |
部品番号 |
部品名 |
数量 |
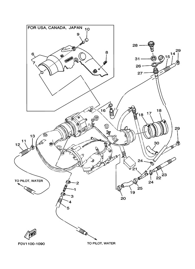
1 |
60E-12594-00 |
JOINT, HOSE 4
|
|
2 |
90450-18M09 |
ホ-スクランプアセンブリ
|
|
3 |
90450-14M05 |
ホ-スクランプアセンブリ
|
|
4 |
90445-14M33 |
ホ-ス (L1150)
|
|
5 |
90446-20ME4 |
HOSE
|
|
6 |
66V-14718-00 |
PROTECTOR, MUFFLER 1 FOR-USA/CAN/JPN
|
|
7 |
90430-09M10 |
GASKET FOR-USA/CAN/JPN
|
|
8 |
90464-07M56 |
CLAMP FOR-USA/CAN/JPN
|
|
9 |
90109-06M99 |
BOLT FOR-USA/CAN/JPN
|
|
10 |
66V-15779-00 |
COVER FOR-USA/CAN/JPN
|
|
11 |
90445-14M09 |
HOSE (L1020)
|
|
12 |
90446-20M70 |
ホース(L800)
|
|
13 |
90450-18M09 |
ホ-スクランプアセンブリ
|
|
14 |
90445-21002 |
HOSE (L900)
|
|
15 |
90446-27M95 |
HOSE
|
|
16 |
90450-22M14 |
HOSE CLAMP ASSY
|
|
17 |
66V-14752-00 |
PIPE, OUTLET
|
|
18 |
90450-99M02 |
HOSE CLAMP ASSY
|
|
19 |
66V-12579-00 |
HOSE 4
|
|
20 |
90450-22M14 |
HOSE CLAMP ASSY
|
|
21 |
66V-12581-00 |
JOINT, HOSE 1
|
|
22 |
90445-18M02 |
【販売終了】HOSE (L700)
|
|
23 |
90446-24M52 |
HOSE (L540)
|
|
24 |
90450-18M09 |
ホ-スクランプアセンブリ
|
|
25 |
90450-22M14 |
HOSE CLAMP ASSY
|
|
26 |
682-84385-01 |
キヤツプ 1
|
|
27 |
64T-12580-00 |
ジヨイントアセンブリ
|
|
28 |
67X-12590-10 |
CONDUCTION ASSY FOR-JPN
|
|
29 |
90601-118UF |
バンド,ホース18 YMUS
|
|
30 |
GJ1-U7578-21 |
パツキン,ホース2 YMUS
|
|
31 |
EU0-61652-00 |
ロ-プホ-ルナツト
|
|
|