
|
見出番号 |
部品番号 |
部品名 |
数量 |
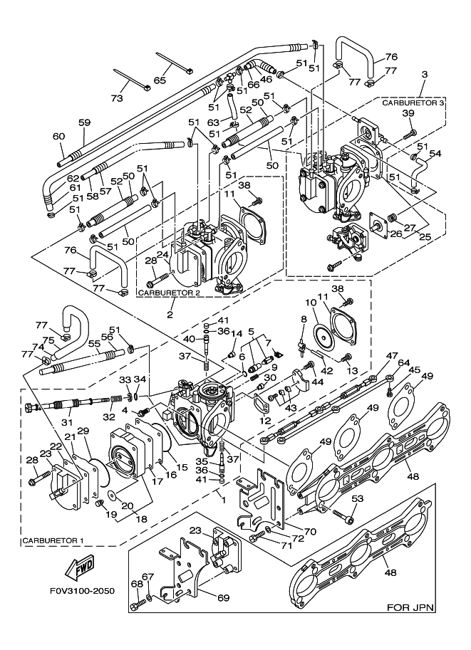
1 |
68N-14301-10 |
キヤブレタアセンブリ 1 FOR-JPN
|
|
2 |
68N-14302-10 |
キヤブレタアセンブリ 2 FOR-JPN
|
|
3 |
68N-14303-10 |
キヤブレタアセンブリ 3 FOR-JPN
|
|
4 |
6R7-14569-00 |
ストレ-ナ
|
|
5 |
64T-14916-01 |
NEEDLE
|
|
6 |
8F2-14147-00 |
O-RING
|
|
7 |
7EG-14159-00 |
CLIP
|
|
8 |
6K8-14547-01 |
ア-ム,フロ-ト
|
|
9 |
6R7-14253-00 |
スプリング
|
|
10 |
6R7-14541-00 |
ダイヤフラム,ポンプ
|
|
11 |
6R7-14542-00 |
ボデ-,ポンプ 1 CARBURETOR1,2
|
|
12 |
6K8-14536-11 |
ガスケツト
|
|
13 |
6K8-14503-02 |
スクリュー
|
|
14 |
3G2-1423A-74 |
JET, MAIN (#1175)
|
|
15 |
66E-14563-01 |
O-RING
|
|
16 |
66E-24471-00 |
DIAPHRAGM
|
|
17 |
66E-24411-00 |
DIAPHRAGM
|
|
18 |
66E-24413-01 |
BODY 2
|
|
19 |
65U-24492-00 |
ブッシュ,フュエルポンプ
|
|
20 |
66E-24362-00 |
VALVE, CHECK 1
|
|
21 |
66E-24421-00 |
VALVE, CHECK
|
|
22 |
66E-24431-00 |
GASKET, FUEL PUMP 1
|
|
23 |
66V-24452-20 |
カバ- CARBURETOR1
|
|
24 |
66V-24452-10 |
COVER CARBURETOR2,3
|
|
25 |
66E-14280-00 |
COVER, CARBURETOR CARBURETOR3
|
|
26 |
66E-14170-00 |
DIAPHRAGM ASS'Y CARBURETOR3
|
|
27 |
66E-14286-00 |
SPRING CARBURETOR3
|
|
28 |
90157-05M17 |
【販売終了】 SCREW, PAN HEAD
|
|
29 |
66E-14564-01 |
O-RING
|
|
30 |
1HX-1423A-68 |
JET, MAIN (# 875)
|
|
31 |
66V-14124-00 |
SCREW, CABLE ADJUSTING CARBURETOR1
|
|
32 |
3KW-14932-00 |
スプリング,スロツトル 2 CARBURETOR1
|
|
33 |
812-14235-00 |
ワツシヤ,ニ-ドル CARBURETOR1
|
|
34 |
812-14147-00 |
O-リング CARBURETOR1
|
|
35 |
66V-14211-00 |
SCREW, PILOT ADJUSTING
|
|
36 |
93210-03119 |
O-リング
|
|
37 |
66V-14160-00 |
COIL, SPRING
|
|
38 |
97880-05010 |
SCREW, PAN HEAD CARBURETOR1,2
|
|
39 |
98580-05014 |
SCREW, PAN HEAD CARBURETOR3
|
|
40 |
66V-14946-00 |
PLATE, NEEDLE FITTING
|
|
41 |
66V-1432A-00 |
PLUG
|
|
42 |
439-14186-00 |
ピン,フロ-ト
|
|
43 |
66E-24412-01 |
BODY 1
|
|
44 |
6K8-14523-11 |
スクリユ,ストツプ
|
|
45 |
68N-14486-00 |
SCREW, ROD
|
|
46 |
90447-07003 |
HOSE, WITH SPRING
|
|
47 |
66V-41217-00 |
ROD, ACCEL LEVER
|
|
48 |
68N-14146-00 |
【販売終了】プレ-ト FOR-JPN
|
|
49 |
66E-14398-00 |
GASKET
|
|
50 |
90445-11M73 |
HOSE
|
|
51 |
35H-14139-00 |
CLIP, PIPE
|
|
52 |
90446-17MG6 |
HOSE
|
|
53 |
68N-14162-00 |
ボルト,ホ-ルデイング FOR-JPN
|
|
54 |
90445-07004 |
HOSE
|
|
55 |
90446-10MG0 |
HOSE
|
|
56 |
90446-07MG1 |
HOSE
|
|
57 |
90446-10MG2 |
HOSE
|
|
58 |
90446-07MG3 |
HOSE
|
|
59 |
90446-10MG4 |
HOSE
|
|
60 |
90446-07MG5 |
HOSE
|
|
61 |
90445-07005 |
HOSE
|
|
62 |
90447-07004 |
HOSE, WITH SPRING
|
|
63 |
90445-07003 |
HOSE
|
|
64 |
68N-14585-00 |
ROD, CHOKE
|
|
65 |
4KM-14137-00 |
CLIP
|
|
66 |
66V-14294-00 |
HOSE
|
|
67 |
4XY-14951-00 |
WASHER FOR-JPN
|
|
68 |
68N-14162-10 |
ボルト,ホ-ルデイング FOR-JPN
|
|
69 |
68N-14527-00 |
【販売終了】プレ-ト FOR-JPN
|
|
73 |
90465-13M60 |
CLAMP
|
|
74 |
66V-24312-00 |
PIPE 2
|
|
75 |
90446-14MA9 |
HOSE
|
|
76 |
66V-24313-01 |
PIPE 3
|
|
77 |
90460-11M17 |
CLAMP, HOSE
|
|
|