純正パーツカタログよりご注文又はお見積
YAMAHA MarineJet  2000年式  エキサイター1430SPO EXC1200B/WHITE > フューエル

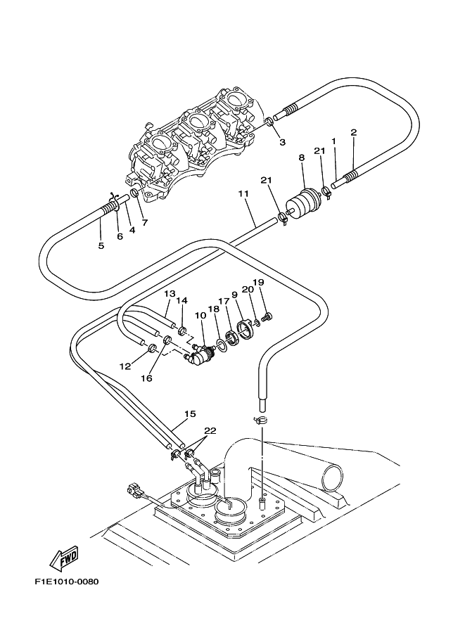
見出番号

部品番号

部品名

数量

1

90445-17M04

HOSE (L700)

2

90446-24M81

HOSE

3

90450-17M17

HOSE CLAMP ASSY

4

90445-17M05

【販売終了】HOSE (L1750)

5

90446-24M83

HOSE

6

90464-15M11

CLAMP

7

90450-17M17

HOSE CLAMP ASSY

8

65B-24560-00

FILTER ASSY

9

6K8-24524-10

LEVER, COCK

10

65B-24500-01

FUEL COCK ASSY 1

11

90445-18M10

HOSE (L600)

12

90450-17M17

HOSE CLAMP ASSY

13

90445-18M09

【販売終了】HOSE (L350)

14

90450-17M17

HOSE CLAMP ASSY

15

90445-18M09

【販売終了】HOSE (L350)

16

90450-17M17

HOSE CLAMP ASSY

17

90170-22187

ナツト

18

90202-22922

WASHER, PLATE

19

97880-04010

SCREW, PAN HEAD

20

92990-04600

WASHER, PLATE

21

90450-18M09

ホ-スクランプアセンブリ

22

90450-18M09

ホ-スクランプアセンブリ