純正パーツカタログよりご注文又はお見積
YAMAHA MarineJet  2003年式  SJ MJ-SJ700/WHITE > フューエル

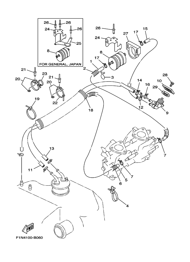
見出番号

部品番号

部品名

数量

1

90445-10ME8

ホ-ス (L230)

2

90446-14M23

ホ-ス(L180)

3

90464-08M07

クランプ

4

90465-12M56

クランプ

5

90445-10MF1

ホ-ス (L1220)

6

90446-14M64

ホ-ス(L560)

7

90465-11M10

クランプ

8

6K8-24560-10

FILTER ASSY

9

6K8-24500-02

フユエルコツクアセンブリ 1

10

6R7-24524-00

レバ-,コツク

11

90445-10ME3

ホ-ス (L1010)

12

90465-11M10

クランプ

13

90445-10M98

ホ-ス (L1010)

14

90465-11M10

クランプ

15

90445-10ME4

ホ-ス (L140)

16

90465-11M10

クランプ

17

90465-11M10

クランプ

18

GM6-6773E-00

チユ-ブ,2

19

90601-20006

バンド

20

90600-91736

クランプコンプリート

21

90267-48925

リベツト,ブラインド

22

90601-20006

バンド

23

90601-20016

バンド

24

EU0-67816-30

ステ-,コツク

25

F1N-65938-00

ステ- 1

26

90267-48940

リベツト,ブラインド

27

EU0-67817-00

エルボ-

28

98980-04008

スクリユ,バインド

29

90170-22187

ナツト