
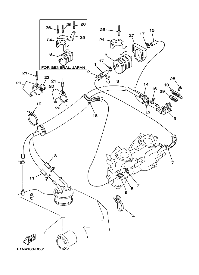
|
見出番号 |
部品番号 |
部品名 |
数量 |
1 |
90445-10ME8 |
ホ-ス (L230)
|
|
2 |
90446-14M23 |
ホ-ス(L180)
|
|
3 |
90464-08M07 |
クランプ
|
|
4 |
90465-12M56 |
クランプ
|
|
5 |
90445-10MF1 |
ホ-ス (L1220)
|
|
6 |
90446-14M64 |
ホ-ス(L560)
|
|
7 |
90465-11M10 |
クランプ
|
|
8 |
6K8-24560-10 |
FILTER ASSY
|
|
9 |
6K8-24500-02 |
フユエルコツクアセンブリ 1
|
|
10 |
6R7-24524-00 |
レバ-,コツク
|
|
11 |
90445-10ME3 |
ホ-ス (L1010)
|
|
12 |
90465-11M10 |
クランプ
|
|
13 |
90445-10M98 |
ホ-ス (L1010)
|
|
14 |
90465-11M10 |
クランプ
|
|
15 |
90445-10ME4 |
ホ-ス (L140)
|
|
16 |
90465-11M10 |
クランプ
|
|
17 |
90465-11M10 |
クランプ
|
|
18 |
GM6-6773E-00 |
チユ-ブ,2
|
|
19 |
90601-20006 |
バンド
|
|
20 |
90600-91736 |
クランプコンプリート
|
|
21 |
90267-48925 |
リベツト,ブラインド
|
|
22 |
90601-20006 |
バンド
|
|
23 |
90601-20016 |
バンド
|
|
24 |
EU0-67816-30 |
ステ-,コツク
|
|
25 |
F1N-65938-00 |
ステ- 1 FOR_GENE,JPN
|
|
26 |
90267-48940 |
リベツト,ブラインド FOR_GENE,JPN
|
|
27 |
EU0-67817-00 |
エルボ-
|
|
28 |
98980-04008 |
スクリユ,バインド
|
|
29 |
90170-22187 |
ナツト
|
|
|