
|
見出番号 |
部品番号 |
部品名 |
数量 |
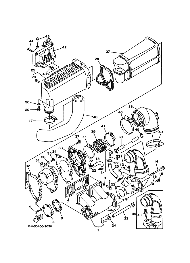
1 |
61X-14711-01-9P |
MUFFLER 1
|
|
2 |
6K8-51129-00 |
ニツプル
|
|
3 |
6M6-14718-01-9P |
PROTECTOR, MUFFLER 1
|
|
4 |
97013-06025 |
ボルト
|
|
5 |
92903-06600 |
ワツシヤ,プレ-ト
|
|
6 |
6M6-14739-A1 |
GASKET, MUFFLER DAMPER 1
|
|
7 |
61X-14613-A0 |
GASKET, EXHAUST PIPE
|
|
8 |
97013-08035 |
ボルト
|
|
9 |
92903-08600 |
ワツシヤ,プレ-ト
|
|
10 |
61L-14712-00-9P |
RING, JOINT
|
|
11 |
6K8-51129-00 |
ニツプル
|
|
12 |
90340-08M04 |
PLUG, STRAIGHT SCREW
|
|
13 |
90430-08020 |
.GASKET
|
|
14 |
90119-08M73 |
BOLT, WITH WASHER
|
|
15 |
97013-08025 |
ボルト
|
|
16 |
92903-08600 |
ワツシヤ,プレ-ト
|
|
17 |
6R7-14749-A0 |
GASKET, MUFFLER DAMPER 2
|
|
18 |
90445-14M29 |
【販売終了】ホ-ス (L125)
|
|
19 |
6E5-24378-00 |
パイプ,ジヨイント 3
|
|
20 |
90445-14M29 |
【販売終了】ホ-ス (L125)
|
|
21 |
90445-14M33 |
ホ-ス (L1150)
|
|
22 |
90465-11M10 |
クランプ
|
|
23 |
90445-14M06 |
HOSE (L630)
|
|
24 |
90450-14M05 |
ホ-スクランプアセンブリ
|
|
25 |
6R7-14721-00-9M |
MUFFLER 2
|
|
26 |
6R7-14485-00 |
パイプ,ジヨイント
|
|
27 |
6R7-14753-00-9M |
SILENCER, EXHAUST
|
|
28 |
6R7-15761-00 |
シ-ル,ラバ- 1
|
|
29 |
97013-06020 |
ボルト
|
|
30 |
92903-06600 |
ワツシヤ,プレ-ト
|
|
31 |
6R7-14785-00-9M |
DIFFUSER
|
|
32 |
6R7-14755-A0 |
ガスケツト,サイレンサ
|
|
33 |
6R7-41113-00-9M |
OUTER COVER, EXHAUST
|
|
34 |
6R7-41114-A0 |
ガスケツト,エキゾ-ストアウタカバ-
|
|
35 |
97095-06016 |
ボルト
|
|
36 |
92995-06600 |
ワツシヤ
|
|
37 |
90119-06MA1 |
ボルト,ウイズワツシヤ
|
|
38 |
61L-14615-A0 |
JOINT, EXHAUST 1
|
|
39 |
61L-14625-A0 |
ジヨイント,エキゾ-スト 2
|
|
40 |
90460-90M11 |
クランプ,ホ-ス
|
|
41 |
90460-70M16 |
クランプ,ホ-ス
|
|
42 |
6M6-14771-00-94 |
ステ-,マフラ- 1
|
|
43 |
90105-10M49 |
ボルト,フランジ
|
|
44 |
90105-10M45 |
BOLT, WASHER BASED
|
|
45 |
90119-10M72 |
BOLT, WITH WASHER
|
|
46 |
64V-14752-00 |
パイプ,アウトレツト
|
|
47 |
90460-64M15 |
クランプ,ホ-ス
|
|
48 |
626-28193-01-94 |
【626-28193-01へ】PLUG, WATER CHECK UR_D:15MM
|
|
49 |
90601-11062 |
バンド,ホース 11
|
|
|