
|
見出番号 |
部品番号 |
部品名 |
数量 |
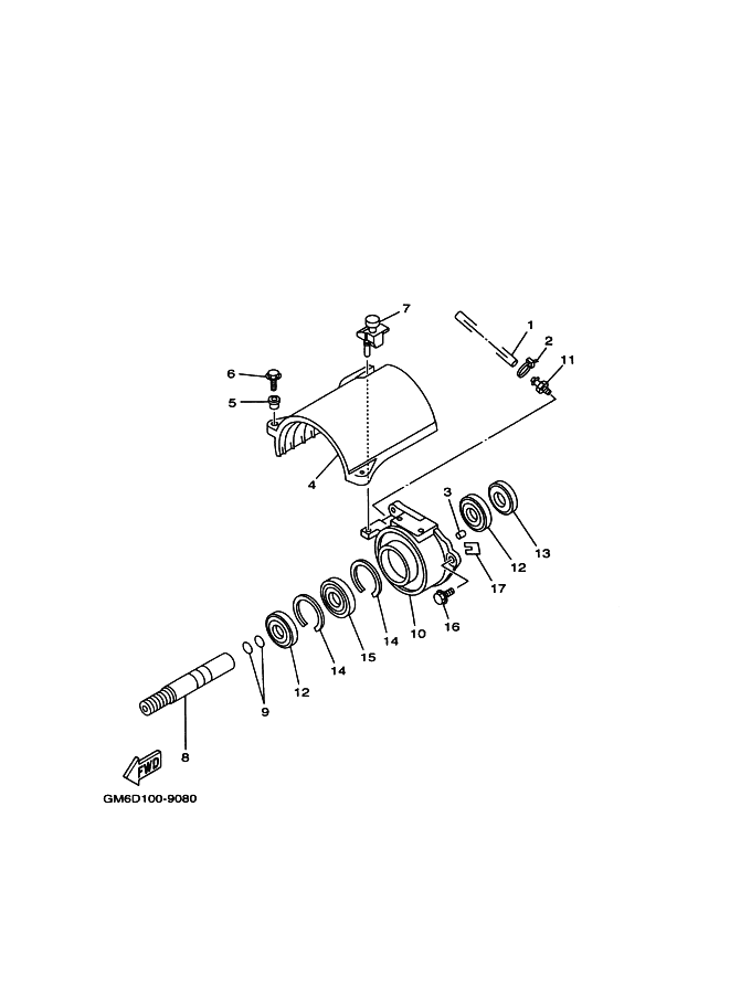
1 |
90445-09M17 |
ホ-ス (L320)
|
|
2 |
90465-11M10 |
クランプ
|
|
3 |
93606-12019 |
ピン,ダウエル
|
|
4 |
61X-51381-00 |
カバ-
|
|
5 |
90387-06M60 |
COLLAR
|
|
6 |
97595-06525 |
ボルト,ウイズワツシヤ
|
|
7 |
90480-06M69 |
グロメツト
|
|
8 |
6R7-51323-02 |
シヤフト, カプラー
|
|
9 |
93210-17MA4 |
O-リング
|
|
10 |
61X-45332-03-94 |
HOUSING,BEARING
|
|
11 |
61L-45378-00 |
ニツプル,ホ-ス
|
|
12 |
93101-25M55 |
オイルシ-ル
|
|
13 |
93101-25M56 |
オイルシ-ル
|
|
14 |
93430-47M04 |
サ-クリツプ
|
|
15 |
93306-205U6 |
ベアリング
|
|
16 |
90119-08907 |
ボルト,ウイズワツシヤ
|
|
17 |
GD0-67249-00-05 |
SHIM (T=05) UN
|
|
17 |
GD0-67249-00-10 |
SHIM (T=10) UN
|
|
|