純正パーツカタログよりご注文又はお見積
YAMAHA MarineJet  2001年式  SJ MJ-SJ700/VIOLET > ジェットユニット 2

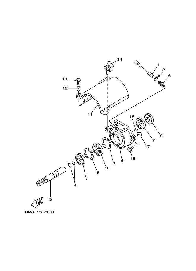
見出番号

部品番号

部品名

数量

1

90445-09M17

ホ-ス (L320)

2

90465-11M10

クランプ

3

6R7-51323-02

シヤフト, カプラー

4

93210-17MA4

O-リング

5

61X-45332-03-94

HOUSING,BEARING

6

61L-45378-00

ニツプル,ホ-ス

7

93101-25M55

オイルシ-ル

8

93101-25M56

オイルシ-ル

9

93430-47M04

サ-クリツプ

10

93306-205U6

ベアリング

11

61X-51381-00

カバ-

12

90387-06M60

COLLAR

13

97595-06525

ボルト,ウイズワツシヤ

14

90480-06M69

グロメツト

15

93606-12019

ピン,ダウエル

16

90119-08907

ボルト,ウイズワツシヤ

17

GD0-67249-00-05

SHIM (T=05)
UR

17

GD0-67249-00-10

SHIM (T=10)
UR