純正パーツカタログよりご注文又はお見積
YAMAHA MarineJet  2004年式  FX MJ-FX160/WHITE > シリンダー

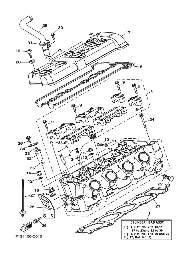
見出番号

部品番号

部品名

数量

1

6B6-W009A-00-94

シリンダヘツドコンプリート

2

6B6-11102-00-94

シリンダ ヘツド アセンブリ

3

3TJ-11133-10

GUIDE, INTAKE VALVE

4

1WG-11133-11

GUIDE, INTAKE VALVE

5

93440-07149

CIRCLIP

6

93440-10153

CIRCLIP

7

90340-27001

PLUG, STRAIGHT SCREW

8

91808-16023

PIN, DOWEL

9

90105-06026

BOLT, FLANGE

10

95023-06012

ボルト,フランジ

11

90430-06014

GASKET

12

90201-10013

WASHER, PLATE

13

90201-10019

WASHER, PLATE

14

90179-10006

NUT

15

90179-10414

NUT

16

90176-10001

ナツト,クラウン

17

6B6-11191-00-94

カバ-,シリンダヘツド 1

18

60E-11193-01

ガスケツト,ヘツドカバ- 1

19

90109-066F0

ボルト

20

4KG-1111G-00

RUBBER, MOUNT 1

21

6B6-11181-00

ガスケツト,シリンダヘツド 1

22

90430-06014

GASKET

23

91380-06012

BOLT

24

97513-06555

ボルト,ウイズワツシヤ

25

60E-1111E-00

HANGER, ENGINE 2

26

97513-08520

BOLT, WITH WASHER

27

90464-20005

クランプ

28

6B6-12482-00

パイプ 2

29

93210-18417

O-リング

30

91317-06016

BOLT

31

60E-12494-00

SEAL, PIPE 1

32

60E-12483-10

パイプ 3

33

60E-12474-00

ガスケツト 1

34

60E-12537-00

プレ-ト 2

35

93210-18417

O-リング

36

91317-06016

BOLT