
|
見出番号 |
部品番号 |
部品名 |
数量 |
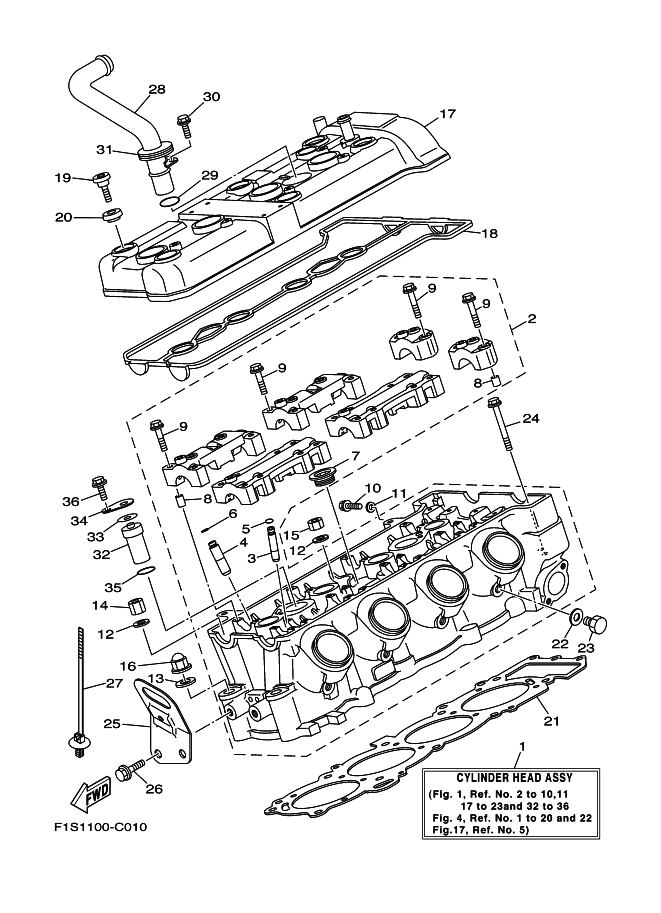
1 |
6B6-W009A-00-94 |
シリンダヘツドコンプリート
|
|
2 |
6B6-11102-00-94 |
シリンダ ヘツド アセンブリ
|
|
3 |
3TJ-11133-10 |
GUIDE, INTAKE VALVE
|
|
4 |
1WG-11133-11 |
GUIDE, INTAKE VALVE
|
|
5 |
93440-07149 |
CIRCLIP
|
|
6 |
93440-10153 |
CIRCLIP
|
|
7 |
90340-27001 |
PLUG, STRAIGHT SCREW
|
|
8 |
91808-16023 |
PIN, DOWEL
|
|
9 |
90105-06026 |
BOLT, FLANGE
|
|
10 |
95023-06012 |
ボルト,フランジ
|
|
11 |
90430-06014 |
GASKET
|
|
12 |
90201-10013 |
WASHER, PLATE
|
|
13 |
90201-10019 |
WASHER, PLATE
|
|
14 |
90179-10006 |
NUT
|
|
15 |
90179-10414 |
NUT
|
|
16 |
90176-10001 |
ナツト,クラウン
|
|
17 |
6B6-11191-00-94 |
カバ-,シリンダヘツド 1
|
|
18 |
60E-11193-01 |
ガスケツト,ヘツドカバ- 1
|
|
19 |
90109-066F0 |
ボルト
|
|
20 |
4KG-1111G-00 |
RUBBER, MOUNT 1
|
|
21 |
6B6-11181-00 |
ガスケツト,シリンダヘツド 1
|
|
22 |
90430-06014 |
GASKET
|
|
23 |
91380-06012 |
BOLT
|
|
24 |
97513-06555 |
ボルト,ウイズワツシヤ
|
|
25 |
60E-1111E-00 |
HANGER, ENGINE 2
|
|
26 |
97513-08520 |
BOLT, WITH WASHER
|
|
27 |
90464-20005 |
クランプ
|
|
28 |
6B6-12482-00 |
パイプ 2
|
|
29 |
93210-18417 |
O-リング
|
|
30 |
91317-06016 |
BOLT
|
|
31 |
60E-12494-00 |
SEAL, PIPE 1
|
|
32 |
60E-12483-10 |
パイプ 3
|
|
33 |
60E-12474-00 |
ガスケツト 1
|
|
34 |
60E-12537-00 |
プレ-ト 2
|
|
35 |
93210-18417 |
O-リング
|
|
36 |
91317-06016 |
BOLT
|
|
|