純正パーツカタログよりご注文又はお見積
BRP SEA DOO  2012年式  GTX-LTD iS 260  18CB > フューエルシステム

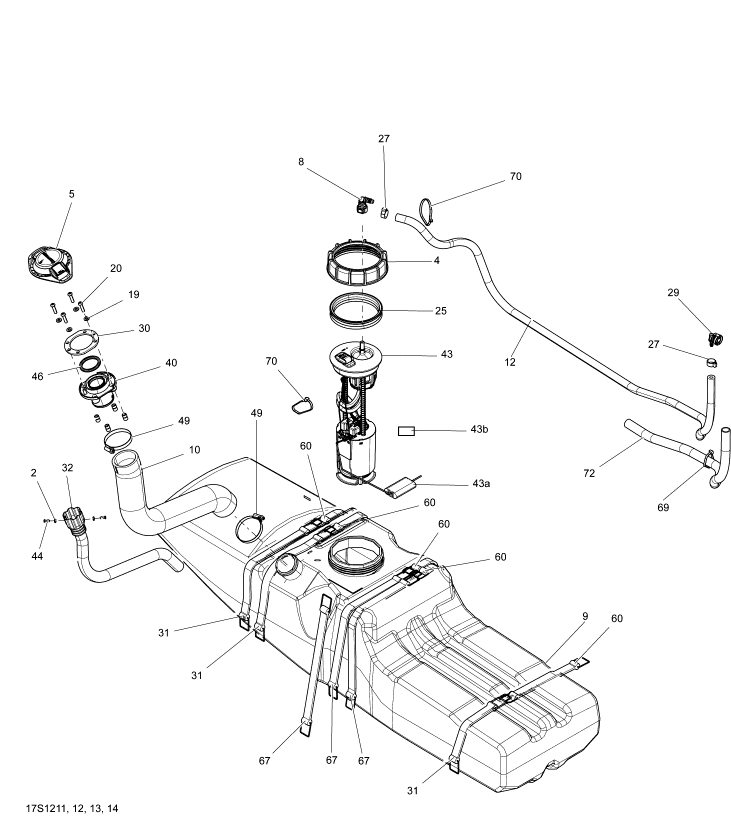
見出番号

部品番号

部品名

数量

2

234032600

WASHER-FLAT DIN.9021B-A2
Flat

4

250100062

SPECIAL NUT
Special

5

275500832

FUEL CAP
Fuel

8

275500700

QUICK ATTACH
Quick

9

275500783

TANK-FUEL
Fuel

10

275500778

HOSE-FIL.NECK
Filler

12

296000331

HOSE
Boyau

19

234061600

WASHER-FLAT DIN125A-A2
Flat

20

250000328

SCREW-TORX BUTTON HEAD M6 X
Torx

25

293250173

GASKET
Gasket

27

293650053

CLAMP-OETIKER
Crimp

29

293710105

FITTING-ELBOW
Elbow

30

XXX


Adhesive

31

293850087

STRAP-FUEL TANK
Fuel

32

275500757

HOSE-FIL NECK
Filler

40

275500848

NECK-FILLER
Fuel

43

275500850

FUEL PUMP
Fuel

43a

275500780

LEVER-SENSOR
Sensor

43b

270600108

FUEL FILTER
Fuel

44

293150032

RIVET-POP 1/8
Pop

46

293300139

X-RING
X-Ring

49

293650081

CLAMP-NORMA
Norma

60

293850094

STRAP-TANK FUE
Fuel

67

293850095

STRAP-FUEL TANK
Fuel

69

293750008

TIE-RAP 350MM
Tie-Rap

70

414115200

TIE-RAP 180MM
Tie-Rap

72

415080000

TUBING-16MM I.D.1M/PAC
Tubing