
|
見出番号 |
部品番号 |
部品名 |
数量 |
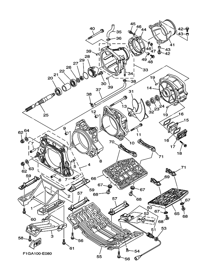
1 |
67X-51311-00-94 |
DUCT, INTAKE
|
|
2 |
67X-R1367-00 |
【販売終了】フエルト,パツキング
|
|
3 |
67X-51333-00-94 |
SCREEN, INTAKE
|
|
4 |
60T-G5831-00 |
プレ-ト,トランサム
|
|
5 |
65A-R1129-00 |
NIPPLE
|
|
6 |
66V-51129-01 |
NIPPLE
|
|
7 |
66V-51129-10 |
NIPPLE
|
|
8 |
60E-51317-00-94 |
HOUSING, IMPELLER 2
|
|
9 |
99590-14016 |
ピン,ダウエル
|
|
10 |
66V-51312-01-94 |
HOUSING, IMPELLER
|
|
11 |
90119-06859 |
ボルト,ウイズワツシヤ
|
|
12 |
99590-14016 |
ピン,ダウエル
|
|
13 |
90119-10803 |
ボルト,ウイズワツシヤ
|
|
14 |
6B6-51315-01-94 |
ダクト,インペラ
|
|
15 |
66V-46882-00 |
FILTER
|
|
16 |
66V-42414-00 |
O-リング
|
|
17 |
66V-45214-00-94 |
COVER, WATER INLET
|
|
18 |
90119-06800 |
BOLT, WITH WASHER
|
|
19 |
93606-12019 |
ピン,ダウエル
|
|
20 |
93306-205U0 |
ベアリング
|
|
21 |
65V-45538-00 |
SPACER 1
|
|
22 |
93306-304U1 |
ベアリング
|
|
23 |
93101-28M66 |
オイルシ-ル
|
|
24 |
93101-28002 |
オイルシ-ル
|
|
25 |
66V-45511-00 |
SHAFT, DRIVE
|
|
26 |
9299R-16600 |
WASHER
|
|
27 |
9531P-16700 |
NUT
|
|
28 |
6B6-51326-10 |
CAP
|
|
29 |
93210-464A3 |
O-リング(JN7)
|
|
30 |
90110-06822 |
ボルト,ヘキサゴンソケツトヘツド
|
|
31 |
60T-R1321-10 |
インペラ
|
|
32 |
66V-R1348-10 |
SPACER
|
|
33 |
60T-51318-00-94 |
ノズル
|
|
34 |
63M-51334-00 |
NIPPLE,HOSE
|
|
35 |
60T-51673-00 |
パイプ 1
|
|
36 |
90601-118UF |
バンド,ホース18
|
|
37 |
90445-14804 |
ホース
|
|
38 |
90465-11829 |
クランプ
|
|
39 |
93606-12019 |
ピン,ダウエル
|
|
40 |
90119-10837 |
BOLT, WITH WASHER
|
|
41 |
66V-R1313-01 |
NOZZLE,DEFLECTOR
|
|
42 |
90119-089UE |
BOLT, WITH WASHER
|
|
43 |
90387-08M06 |
カラ-
|
|
44 |
60T-51190-00-94 |
リング,トリム
|
|
45 |
GH3-U146E-00 |
STUD, JOINT BALL
|
|
46 |
90201-068M4 |
ワツシヤ,プレ-ト
|
|
47 |
9538R-06700 |
ナツト
|
|
48 |
90119-089UE |
BOLT, WITH WASHER
|
|
49 |
90387-08M06 |
カラ-
|
|
50 |
GJ1-U8K31-03 |
センサースピード
|
|
51 |
F0V-U7267-10 |
コネクタケ-ブル
|
|
52 |
GJ1-U835D-00 |
SERVIS KIT (SPEED SENSOR)
|
|
53 |
EU0-62241-30 |
NUT, DRAIN 1
|
|
54 |
9878R-05512 |
SCREW, FLAT HEAD
|
|
55 |
F1G-U273B-00 |
プレート 2
|
|
56 |
90119-08823 |
ボルト,ウイズワツシヤ
|
|
57 |
F1G-U8572-00 |
ブラケツト 2
|
|
58 |
90119-069UK |
BOLT, WITH WASHER
|
|
59 |
F1G-U8571-00 |
ブラケツト 1
|
|
60 |
90119-08823 |
ボルト,ウイズワツシヤ
|
|
61 |
90119-069UB |
BOLT, WITH WASHER
|
|
62 |
9572R-10300 |
ナツト,ナイロン
|
|
63 |
90201-10801 |
ワツシヤ,プレ-ト
|
|
64 |
F1S-U725E-00 |
ワツシヤ
|
|
65 |
F1G-U884S-01 |
プレートステツプ 2
|
|
66 |
F1G-U884R-01 |
プレートステツプ 1
|
|
67 |
90387-07803 |
カラ-
|
|
68 |
90119-069UD |
BOLT, WITH WASHER
|
|
69 |
F1G-6880A-00 |
【販売終了】ベツド, ウオーターロツクコンプリー
|
|
70 |
F0X-6885R-00 |
【販売終了】PLATE, STEP 1
|
|
71 |
F0X-6885S-00 |
PLATE, STEP 2
|
|
|