純正パーツカタログよりご注文又はお見積
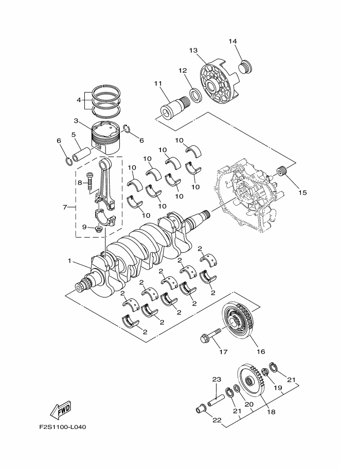
YAMAHA MarineJet  2012年式  MJ-FX SHO FA1800-L/RED > クランクシャフト&ピストン

見出番号

部品番号

部品名

数量

1

6S5-11411-00

CRANKSHAFT

2

6S5-11416-00

プレ-ンベアリング,クランクシヤフト1
UR_BROWN

2

6S5-11416-10

プレ-ンベアリング,クランクシヤフト1
UR_BLACK

2

6S5-11416-20

プレ-ンベアリング,クランクシヤフト1
UR_BLUE

2

6S5-11416-30

プレ-ンベアリング,クランクシヤフト1
UR_GREEN

2

6S5-11416-40

プレ-ンベアリング,クランクシヤフト1
UR_YELLOW

3

6S5-11631-10-B0

ピストン (STD)

4

6S5-11603-00

ピストンリングセツト(STD)

5

6S5-11633-00

ピン,ピストン

6

93450-24028

サ-クリツプ

7

6S5-11650-00

コネクテイングロツドアセンブリ

8

6S5-11654-00

ボルト,コネクテイングロツド

9

90179-09379

ナツト(11H)

10

6S5-11656-00

プレ-ンベアリング,コンロツド
UR_BROWN

10

6S5-11656-10

プレ-ンベアリング,コンロツド
UR_BLACK

10

6S5-11656-20

プレ-ンベアリング,コンロツド
UR_BLUE

10

6S5-11656-30

プレ-ンベアリング,コンロツド
UR_GREEN

11

6S5-17572-01

シヤフト,トランスフア

12

6S5-12289-00

ワツシヤ

13

6S5-45813-01-94

フランジ,カツプリング

14

6S5-17525-01

ホルダ2

15

6S5-11459-01

ナツト,スペシヤル

16

6S5-17800-10

ギアユニツトアセンブリ (60T)

17

6S5-17031-00

ボルト

18

6S5-W1783-10

ドライブギヤア & カラーセツト (19T)

19

6S5-17529-00

ワツシヤ,スラスト

20

90201-132G5

ワツシヤ,プレ-ト

21

99009-24700

サークリツプ

22

6S5-17585-10

カラ-,ギヤ

23

6S5-17553-00

シヤフト,ミドルドリブン