
|
見出番号 |
部品番号 |
部品名 |
数量 |
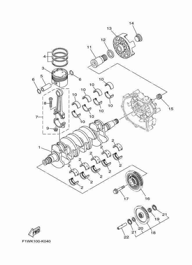
1 |
6S5-11411-00 |
CRANKSHAFT
|
|
2 |
6S5-11416-00 |
プレ-ンベアリング,クランクシヤフト1 UR_BROWN
|
|
2 |
6S5-11416-10 |
プレ-ンベアリング,クランクシヤフト1 UR_BLACK
|
|
2 |
6S5-11416-20 |
プレ-ンベアリング,クランクシヤフト1 UR_BLUE
|
|
2 |
6S5-11416-30 |
プレ-ンベアリング,クランクシヤフト1 UR_GREEN
|
|
2 |
6S5-11416-40 |
プレ-ンベアリング,クランクシヤフト1 UR_YELLOW
|
|
3 |
6S5-11631-10-B0 |
ピストン (STD)
|
|
4 |
6S5-11603-00 |
ピストンリングセツト(STD)
|
|
5 |
6S5-11633-00 |
ピン,ピストン
|
|
6 |
93450-24028 |
サ-クリツプ
|
|
7 |
6S5-11650-00 |
コネクテイングロツドアセンブリ
|
|
8 |
6S5-11654-00 |
ボルト,コネクテイングロツド
|
|
9 |
90179-09379 |
ナツト(11H)
|
|
10 |
6S5-11656-00 |
プレ-ンベアリング,コンロツド UR_BROWN
|
|
10 |
6S5-11656-10 |
プレ-ンベアリング,コンロツド UR_BLACK
|
|
10 |
6S5-11656-20 |
プレ-ンベアリング,コンロツド UR_BLUE
|
|
10 |
6S5-11656-30 |
プレ-ンベアリング,コンロツド UR_GREEN
|
|
11 |
6S5-17572-01 |
シヤフト,トランスフア
|
|
12 |
6S5-12289-00 |
ワツシヤ
|
|
13 |
6S5-45813-01-94 |
フランジ,カツプリング
|
|
14 |
6S5-17525-01 |
ホルダ2
|
|
15 |
6S5-11459-01 |
ナツト,スペシヤル
|
|
16 |
6S5-17800-10 |
ギアユニツトアセンブリ (60T)
|
|
17 |
6S5-17031-00 |
ボルト
|
|
18 |
6S5-W1783-10 |
ドライブギヤア & カラーセツト (19T)
|
|
19 |
6S5-17529-00 |
ワツシヤ,スラスト
|
|
20 |
90201-132G5 |
ワツシヤ,プレ-ト
|
|
21 |
99009-24700 |
サークリツプ
|
|
22 |
6S5-17553-00 |
シヤフト,ミドルドリブン
|
|
|