純正パーツカタログよりご注文又はお見積
KAWASAKI JETSKI  2013年式  STX-15F  JT1500ADF > クランクシャフト

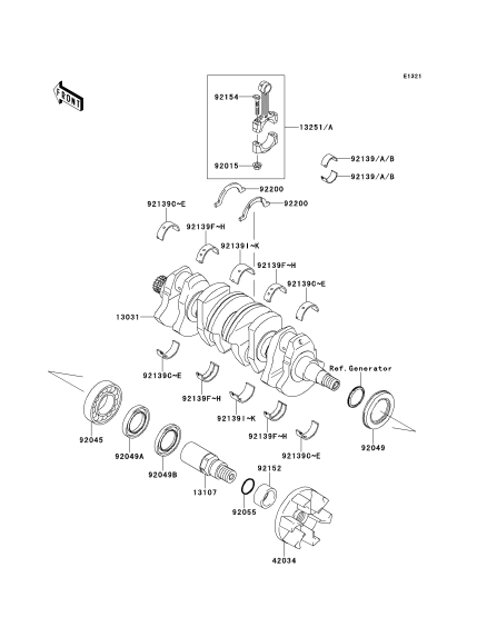
見出番号

部品番号

部品名

数量

13031

13031-3742

**Web参照**クランクシヤフトコンプ
クランクシヤフトコンプ

13107

13107-3785

シヤフト
シヤフト

13251

13251-3703-II

ロツドアツシ(コネクテイング),I
ロツドアツシ(コネクテイング),I

13251A

13251-3703-JJ

ロツドアツシ(コネクテイング),J
ロツドアツシ(コネクテイング),J

42034

42034-3711

カツプリング
カツプリング

92015

92015-1559

ナツト,コネクテイング ロツド
ナツト,コネクテイング

92045

92045-3739

ベアリング(ボ-ル),6208
ベアリング(ボ-ル),6208ZZ

92049

92049-3736

シ-ル(オイル),SD347626LHS
シ-ル(オイル),SD347626LHS

92049A

92049-3737

シ-ル(オイル),FPJ740628.5ZS
シ-ル(オイル),FPJ740628.5ZS

92049B

92049-3738

シ-ル(オイル),S40626NS
シ-ル(オイル),S40626NS

92055

92055-091

リング(0)
リング(0),27.7X2.4

92139

92139-0722

ブツシング,コネクテイング ロツド,グリ
ブツシング,コネクテイング

92139A

92139-0723

ブツシング,コネクテイング ロツド,イエロ
ブツシング,コネクテイング

92139B

92139-0724

ブツシング,コネクテイング ロツド,ピン
ブツシング,コネクテイング

92139C

92139-0725

ブツシング,クランクシヤフト,#1&#5,グ
ブツシング,クランクシヤフト,#1#5,グリーン

92139D

92139-0726

ブツシング,クランクシヤフト,#1&#5,イエ
ブツシング,クランクシヤフト,#1#5,イエロー

92139E

92139-0727

ブツシング,クランクシヤフト,#1&#5,ピ
ブツシング,クランクシヤフト,#1#5,ピンク

92139F

92139-0728

ブツシング,クランクシヤフト,#2&#4,グ
ブツシング,クランクシヤフト,#2#4,グリーン

92139G

92139-0729

ブツシング,クランクシヤフト,#2&#4,イエ
ブツシング,クランクシヤフト,#2#4,イエロー

92139H

92139-0730

ブツシング,クランクシヤフト,#2&#4,ピ
ブツシング,クランクシヤフト,#2#4,ピンク

92139I

92139-0731

ブツシング,クランクシヤフト,#3,グリーン
ブツシング,クランクシヤフト,#3,グリーン

92139J

92139-0732

ブツシング,クランクシヤフト,#3,イエロー
ブツシング,クランクシヤフト,#3,イエロー

92139K

92139-0733

ブツシング,クランクシヤフト,#3,ピンク
ブツシング,クランクシヤフト,#3,ピンク

92152

92152-3733

カラ-,アウトプツト RR,L=19.5
カラ-,アウトプツト

92154

92154-3720

ボルト,コネクテイング ロツド,9MM
ボルト,コネクテイング

92200

92200-3789

ワツシヤ
ワツシヤ