純正パーツカタログよりご注文又はお見積
YAMAHA MarineJet  2013年式  MJ-VX SP ホワイト F2P7 W > クランクシャフト&ピストン

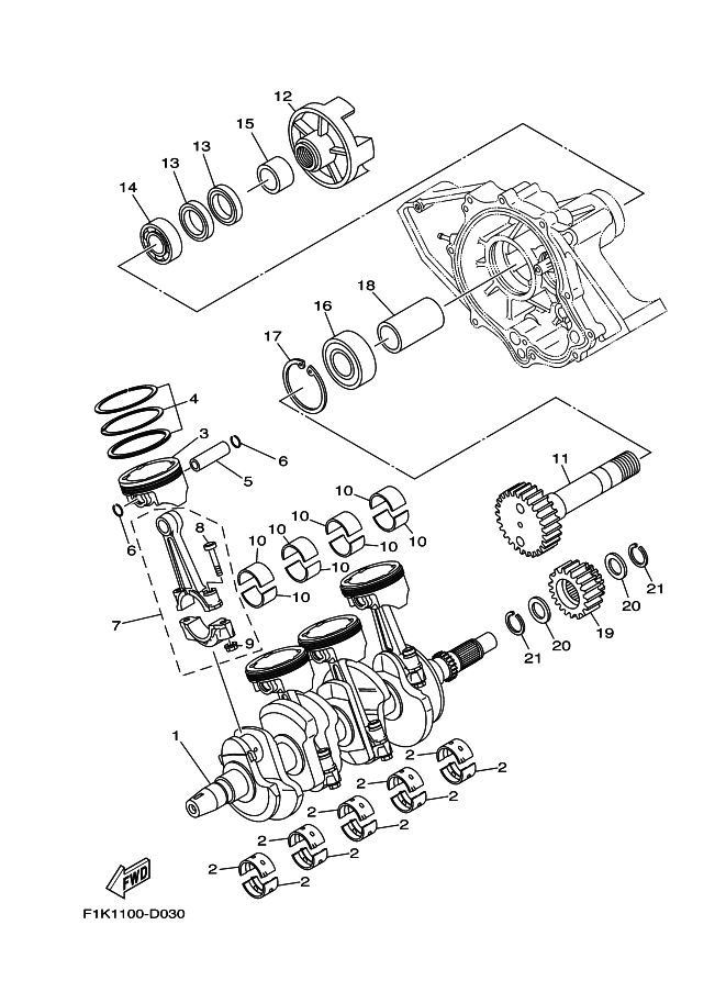
見出番号

部品番号

部品名

数量

1

60E-11411-11

クランクシヤフト

2

6D3-11416-00

プレ-ンベアリング,クランクシヤフト
UR_RED/BROWN

2

6D3-11416-10

プレ-ンベアリング,クランクシヤフト
UR_RED/BLACK

2

6D3-11416-20

プレ-ンベアリング,クランクシヤフト
UR_RED/BLUE

2

6D3-11416-30

プレ-ンベアリング,クランクシヤフト
UR_RED/GREEN

2

6D3-11416-A0

プレ-ンベアリング,クランクシヤフト
UR_RED/RED

3

6D3-11631-01-B0

ピストン (STD)

4

6D3-11603-00

ピストンリングセツト (STD)

5

6D3-11633-00

ピン,ピストン

6

90468-12069

CLIP

7

6D3-11650-00

コネクテイングロツドアセンブリ

8

5JW-11654-00

ボルト,コネクテイングロツド

9

90179-08327

ナツト

10

60E-11656-00

PLANE BEARING, CONNECTING ROD
UR_BROWN

10

60E-11656-10

PLANE BEARING, CONNECTING ROD
UR_BLACK

10

60E-11656-20

PLANE BEARING, CONNECTING ROD
UR_BLUE

10

60E-11656-30

PLANE BEARING, CONNECTING ROD
UR_GREEN

11

6D3-17572-00

シヤフト, トランスフア

12

6D3-45813-00-94

フランジ,カツプリング

13

93101-35004

オイル シ-ル

14

93306-07801

ベアリング(55X)

15

6B6-11478-00

カラ-

16

93306-30610

ベアリング

17

99009-72500

サークリツプ

18

6B6-17585-00

カラ-,ギヤ

19

6B6-17586-00

ギア, トランスフア ドライブ

20

90209-25008

WASHER

21

93440-28062

CIRCLIP