
|
見出番号 |
部品番号 |
部品名 |
数量 |
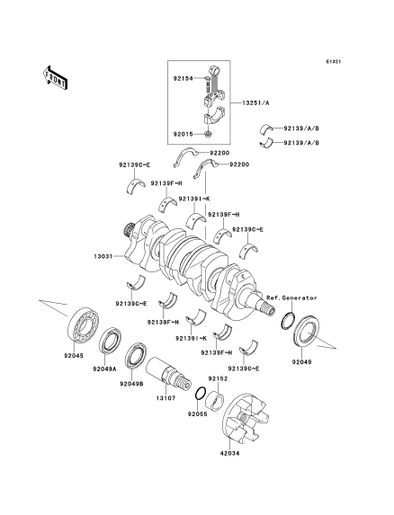
13031 |
13031-3742 |
**Web参照**クランクシヤフトコンプ クランクシヤフトコンプ11
|
|
13107 |
13107-3785 |
シヤフト シヤフト11
|
|
13251 |
13251-3703-II |
ロツドアツシ(コネクテイング),I ロツドアツシ(コネクテイング),I44
|
|
13251A |
13251-3703-JJ |
ロツドアツシ(コネクテイング),J ロツドアツシ(コネクテイング),JARAR
|
|
42034 |
42034-3711 |
カツプリング カツプリング11
|
|
92015 |
92015-1559 |
ナツト,コネクテイング ロツド ナツト,コネクテイング
|
|
92045 |
92045-3739 |
ベアリング(ボ-ル),6208 ベアリング(ボ-ル),6208ZZ
|
|
92049 |
92049-3736 |
シ-ル(オイル),SD347626LHS シ-ル(オイル),SD347626LHS11
|
|
92049A |
92049-3737 |
シ-ル(オイル),FPJ740628.5ZS シ-ル(オイル),FPJ740628.5ZS11
|
|
92049B |
92049-3738 |
シ-ル(オイル),S40626NS シ-ル(オイル),S40626NS11
|
|
92055 |
92055-091 |
リング(0) リング(0),27.7X2.411
|
|
92139 |
92139-0722 |
ブツシング,コネクテイング ロツド,グリ ブツシング,コネクテイング
|
|
92139A |
92139-0723 |
ブツシング,コネクテイング ロツド,イエロ ブツシング,コネクテイング
|
|
92139B |
92139-0724 |
ブツシング,コネクテイング ロツド,ピン ブツシング,コネクテイング
|
|
92139C |
92139-0725 |
ブツシング,クランクシヤフト,#1,グ ブ
|
|
92139D |
92139-0726 |
ブツシング,クランクシヤフト,#1,イエ ブツシング,クランクシヤフト,#1#5,イエローARAR
|
|
92139E |
92139-0727 |
ブツシング,クランクシヤフト,#1,ピ ブツシング,クランクシヤフト,#1#5,ピンクARAR
|
|
92139F |
92139-0728 |
ブツシング,クランクシヤフト,#2,グ ブツシング,クランクシヤフト,#2#4,グリーン44
|
|
92139G |
92139-0729 |
ブツシング,クランクシヤフト,#2,イエ ブツシング,クランクシヤフト,#2#4,イエローARAR
|
|
92139H |
92139-0730 |
ブツシング,クランクシヤフト,#2,ピ ブツシング,クランクシヤフト,#2#4,ピンクARAR
|
|
92139I |
92139-0731 |
ブツシング,クランクシヤフト,#3,グリーン ブツシング,クランクシヤフト,#3,グリーン22
|
|
92139J |
92139-0732 |
ブツシング,クランクシヤフト,#3,イエロー ブツシング,クランクシヤフト,#3,イエローARAR
|
|
92139K |
92139-0733 |
ブツシング,クランクシヤフト,#3,ピンク ブツシング,クランクシヤフト,#3,ピンクARAR
|
|
92152 |
92152-3733 |
カラ-,アウトプツト RR,L=19.5 カラ-,アウトプツト
|
|
92154 |
92154-3720 |
ボルト,コネクテイング ロツド,9MM ボルト,コネクテイング
|
|
92200 |
92200-3789 |
ワツシヤ ワツシヤ
|
|
|