純正パーツカタログよりご注文又はお見積
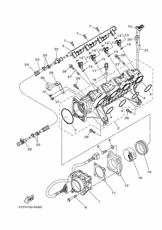
YAMAHA MarineJet  2016年式  FX Cruiser HO ブラックメタリック > インテーク 1

見出番号

部品番号

部品名

数量

1

6BH-13750-01

THROTTLE BODY ASSY

2

6BH-13641-10

マニホ-ルド,インテ-ク1

3

6BH-14156-00

ガスケツト,インシユレ-テイング

4

6BH-14126-00

ガスケツト

5

6CS-12880-00

デリバリイパイプ

6

90105-08243

ボルト,フランジ

7

6CS-14446-00

ボルト

8

97013-08025

ボルト

9

92903-08600

ワツシヤ,プレ-ト

10

6BH-82380-00

センサ-,プレツシヤ-

11

6CR-14536-00

ガスケツト

12

6CR-14163-00

スペ-サ

13

6S5-13761-10

インジエクタアセンブリ

14

68V-1416A-00

O-リング

15

8FP-13556-10

ガスケツト,マニホ-ルド

16

6D3-1444B-00

リボン

17

65L-85886-00

サ-モセンサ-

18

6S5-14285-00

ワツシヤ

19

6S5-14457-00

ホルダ

20

6BH-14445-00

グロメツト

21

6BH-13532-00

ホース,バキユームセンシング3

22

6S5-24300-01

FUEL PIPE JOINT

23

6AN-14294-10

HOSE

24

90447-19017

TUBE (L495)

25

90450-17M17

HOSE CLAMP ASSY

26

97513-08535

ボルト,ウイズワツシヤ

27

90116-08032

ボルト,スタツド

28

90176-08080

ナツト,クラウン

29

6CR-14572-00

プレ-ト,ステ-

30

6CS-14445-00

グロメツト

31

95023-06012

ボルト,フランジ