純正パーツカタログよりご注文又はお見積
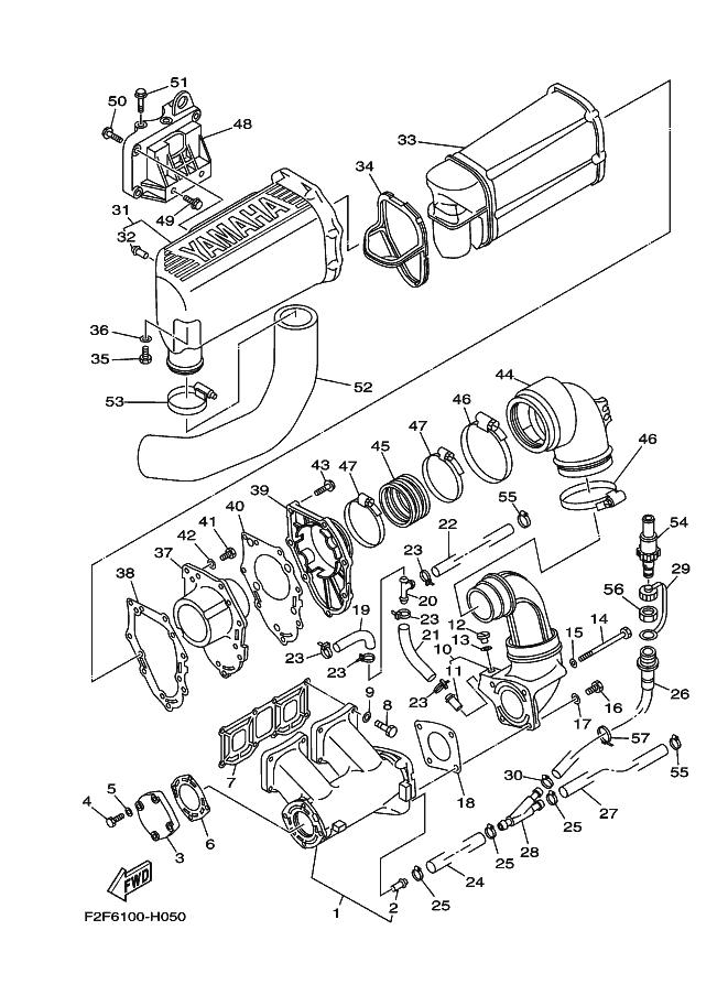
YAMAHA MarineJet  2016年式  Super Jet ホワイトコート2 > EXHAUST 1

見出番号

部品番号

部品名

数量

1

61X-14711-01-94

MUFFLER1

2

6K8-51129-00

ニツプル

3

6M6-14718-01-8S

プロテクタ,マフラ 1

4

97013-06025

ボルト

5

92903-06600

ワツシヤ,プレ-ト

6

6M6-14739-A2

ガスケツト,マフラダンパ 1

7

61X-14613-A1

ガスケツト,エキゾ-ストパイプ

8

97013-08035

ボルト

9

92903-08600

ワツシヤ,プレ-ト

10

61L-14712-00-94

RING,JOINT

11

6K8-51129-00

ニツプル

12

90340-08002

プラグ,ストレイトスクリユ

13

90430-08020

.GASKET

14

97013-08090

ボルト

15

92903-08600

ワツシヤ,プレ-ト

16

97013-08025

ボルト

17

92903-08600

ワツシヤ,プレ-ト

18

6R7-14749-A1

ガスケツト,マフラダンパ 2

19

90445-14M29

【販売終了】ホ-ス (L125)

20

6E5-24378-00

パイプ,ジヨイント 3

21

90445-14M29

【販売終了】ホ-ス (L125)

22

90445-14M33

ホ-ス (L1150)

23

90465-11M10

クランプ

24

90445-14M14

ホ-ス (L330)

25

90450-14M05

ホ-スクランプアセンブリ

26

63M-12580-00

ジヨイントアセンブリ

27

90445-14M05

ホ-ス (L240)

28

64X-12581-00

ジヨイント,ホ-ス 1

29

682-84385-01

キヤツプ 1

30

90450-18M09

ホ-スクランプアセンブリ

31

6R7-14721-00-8S

マフラ- 2

32

6R7-14485-00

パイプ,ジヨイント

33

6R7-14753-00-8S

サイレンサ,エキゾ-スト

34

6R7-15761-00

シ-ル,ラバ- 1

35

97013-06020

ボルト

36

92903-06600

ワツシヤ,プレ-ト

37

6R7-14785-00-8S

デイフユ-ザ

38

6R7-14755-A0

ガスケツト,サイレンサ

39

6R7-41113-00-8S

アウタカバ-,エキゾ-スト

40

6R7-41114-A0

ガスケツト,エキゾ-ストアウタカバ-

41

97095-06016

ボルト

42

92995-06600

ワツシヤ

43

90119-06MA1

ボルト,ウイズワツシヤ

44

61L-14615-00

ジヨイント,エキゾ-スト 1

45

61L-14625-A0

ジヨイント,エキゾ-スト 2

46

90460-90M11

クランプ,ホ-ス

47

90460-70M16

クランプ,ホ-ス

48

6M6-14771-00-94

ステ-,マフラ- 1

49

90105-10M49

ボルト,フランジ

50

90105-10M88

ボルト,フランジ

51

90119-10M17

ボルト,ウイズワツシヤ

52

64V-14752-00

パイプ,アウトレツト

53

90460-64M15

クランプ,ホ-ス

54

67X-E2590-10

コンダクシヨンアセンブリ

55

90450-14M05

ホ-スクランプアセンブリ

56

EU0-61652-00

ロ-プホ-ルナツト

57

90601-20024

バンド