純正パーツカタログよりご注文又はお見積
KAWASAKI JETSKI  2017年式  ULTRA310LX JT1500MHF > シリンダヘッドカバー

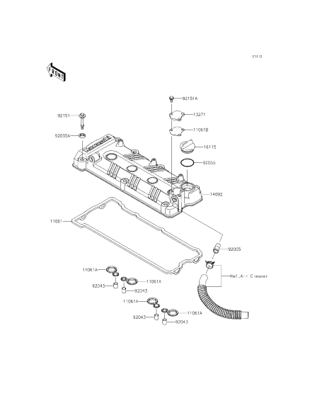
見出番号

部品番号

部品名

数量

11061

11061-0090

ガスケツト
ガスケツト

11061A

11061-0105

ガスケツト,スパーク プラグ ホール
ガスケツト,スパーク

11061B

11061-0814

ガスケツト,プレート
ガスケツト,プレート

13271

13271-3898

プレ-ト
プレ-ト

14092

14092-0836

カバ-,ヘツド
カバ-,ヘツド

16115

16115-1064

キヤツプ(オイルフイラ)
キヤツプ(オイルフイラ)

92005

92005-3741

フイテイング
フイテイング

92043

92043-4009

ピン,10.1X12X14
ピン,10.1X12X14

92055

92055-1295

リング(0)
リング(0),38X1.9

92055A

92055-1352

リング(0),ヘツド カバ- ボルト
リング(0),ヘツド

92151

92151-1221

ボルト,ヘツド カバ-
ボルト,ヘツド

92151A

92151-3788

ボルト,6X14
ボルト,6X14