
|
見出番号 |
部品番号 |
部品名 |
数量 |
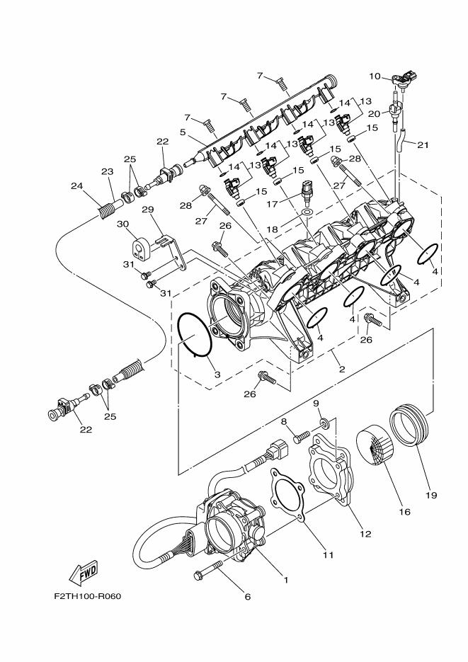
1 |
6BH-13750-01 |
THROTTLE BODY ASSY
|
|
2 |
6BH-13641-10 |
マニホ-ルド,インテ-ク1
|
|
3 |
6BH-14156-00 |
ガスケツト,インシユレ-テイング
|
|
4 |
6BH-14126-00 |
ガスケツト
|
|
5 |
6CS-12880-00 |
デリバリイパイプ
|
|
6 |
90105-08243 |
ボルト,フランジ
|
|
7 |
6CS-14446-00 |
ボルト
|
|
8 |
97013-08025 |
ボルト
|
|
9 |
92903-08600 |
ワツシヤ,プレ-ト
|
|
10 |
6BH-82380-00 |
センサ-,プレツシヤ-
|
|
11 |
6CR-14536-00 |
ガスケツト
|
|
12 |
6CR-14163-00 |
スペ-サ
|
|
13 |
6S5-13761-10 |
インジエクタアセンブリ
|
|
14 |
68V-1416A-00 |
O-リング
|
|
15 |
8FP-13556-10 |
ガスケツト,マニホ-ルド
|
|
16 |
6D3-1444B-00 |
リボン
|
|
17 |
65L-85886-00 |
サ-モセンサ-
|
|
18 |
6S5-14285-00 |
ワツシヤ
|
|
19 |
6S5-14457-00 |
ホルダ
|
|
20 |
6BH-14445-00 |
グロメツト
|
|
21 |
6BH-13532-00 |
ホース,バキユームセンシング3
|
|
22 |
6S5-24300-01 |
FUEL PIPE JOINT
|
|
23 |
6AN-14294-10 |
HOSE
|
|
24 |
90447-19017 |
TUBE (L495)
|
|
25 |
90450-17M17 |
HOSE CLAMP ASSY
|
|
26 |
97513-08535 |
ボルト,ウイズワツシヤ
|
|
27 |
90116-08032 |
ボルト,スタツド
|
|
28 |
90176-08080 |
ナツト,クラウン
|
|
29 |
6CR-14572-00 |
プレ-ト,ステ-
|
|
30 |
6CS-14445-00 |
グロメツト
|
|
31 |
95023-06012 |
ボルト,フランジ
|
|
|