
|
見出番号 |
部品番号 |
部品名 |
数量 |
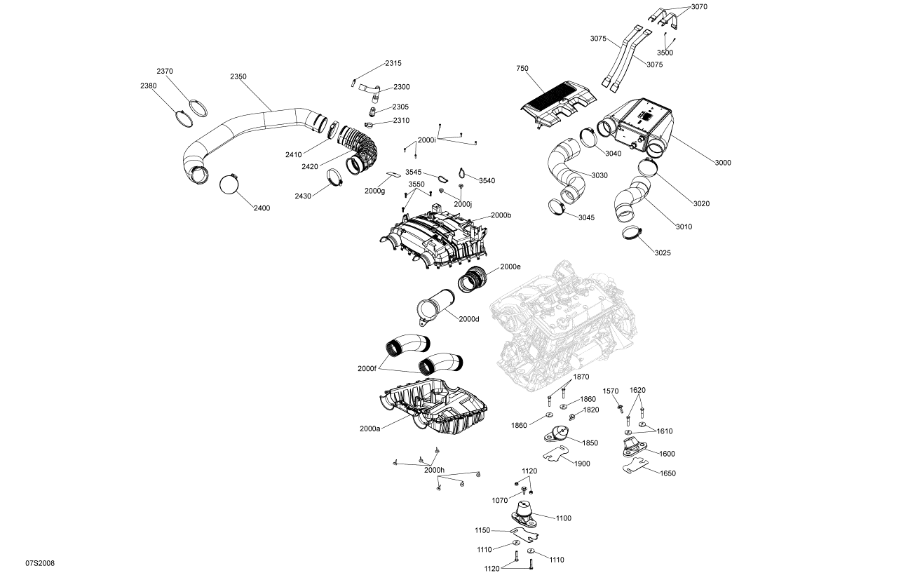
750 |
270001060 |
COVER_ENGINE EngineCover(1個)
|
|
1070 |
250000933 |
HEX SEMS SCREW M8 X 30 S.GRIP HexSemsScrewM8X30S.Grip(1個)
|
|
1100 |
270001076 |
RUBBER MOUNT RubberMount(1個)
|
|
1110 |
250200018 |
WASHER-CONE ConeWasher(2個)
|
|
1120 |
250000782 |
SCREW-HEX CAP HexagonalHeadCapScrewM8X45(2個)
|
|
1150 |
270000762 |
SHIM 1-3MM Shim1.3mm(3個)
|
|
1570 |
250000933 |
HEX SEMS SCREW M8 X 30 S.GRIP HexSemsScrewM8X30S.Grip(1個)
|
|
1600 |
270001077 |
RUBBER MOUNT RubberMount(1個)
|
|
1610 |
250200018 |
WASHER-CONE ConeWasher(2個)
|
|
1620 |
250000782 |
SCREW-HEX CAP HexagonalHeadCapScrewM8X45(2個)
|
|
1650 |
270000762 |
SHIM 1-3MM Shim1.3mm(3個)
|
|
1820 |
250000933 |
HEX SEMS SCREW M8 X 30 S.GRIP HexSemsScrewM8X30S.Grip(1個)
|
|
1850 |
270001077 |
RUBBER MOUNT RubberMount(1個)
|
|
1860 |
250200018 |
WASHER-CONE ConeWasher(2個)
|
|
1870 |
250000782 |
SCREW-HEX CAP HexagonalHeadCapScrewM8X45(2個)
|
|
1900 |
270000762 |
SHIM 1-3MM Shim1.3mm(3個)
|
|
2000a |
273000342 |
AIRBOX BASE AirboxBase(1個)
|
|
2000b |
273000394 |
INTAKE SILENCER COVER IntakeSilencerCover(1個)
|
|
2000d |
273000359 |
INTAKE TUBE IntakeHose(1個)
|
|
2000e |
273000375 |
HOSE CONNECTOR HoseConnector(1個)
|
|
2000f |
273000290 |
TUBE AirSilencerHose(2個)
|
|
2000g |
219903177 |
NOTICE LABEL NoticeDecal,AirSilencer(1個)
|
|
2000h |
708000759 |
STOPPER-RUBBER RubberStopper(6個)
|
|
2000i |
250000287 |
SCREW-PT.FLANGE PAN HDTORX.K40 X 16 FlangedTorxScrewK40X16(5個)
|
|
2000j |
293730040 |
DART-MOUNT MountDart(2個)
|
|
2300 |
270000950 |
FORMED HOSE FormedHose(1個)
|
|
2305 |
273000234 |
BREATHER Breather(1個)
|
|
2310 |
293650051 |
CLAMP-TRIDON TridonGearClamp(1個)
|
|
2315 |
293650051 |
CLAMP-TRIDON TridonGearClamp(1個)
|
|
2350 |
273000376 |
INTAKE DUCT CTRL IntakeDuctCTRL(1個)
|
|
2370 |
293830197 |
POLYURETHANE HOSE Hose(1個)
|
|
2380 |
293750008 |
TIE-RAP 350MM Tie-Rap350mm(1個)
|
|
2400 |
293650179 |
CLAMP-TRIDON TridonClamp(1個)
|
|
2410 |
293650179 |
CLAMP-TRIDON TridonClamp(1個)
|
|
2420 |
273000410 |
HOSE MOLDED IntakeHoseRear(1個)
|
|
2430 |
293650179 |
CLAMP-TRIDON TridonClamp(1個)
|
|
3000-3000a |
276000335 |
INTERCOOLER Intercooler.Includes3000TO3000a(1個)
|
|
3000a |
271001942 |
ANODE ZINC AnodeZinc.Notshown(1個)
|
|
3010 |
273000393 |
FORMED HOSE HoseAirIntakeIntercooler(1個)
|
|
3020 |
293650244 |
TRIDON GEAR CLAMP TridonGearClamp(1個)
|
|
3025 |
293650179 |
CLAMP-TRIDON TridonClamp(1個)
|
|
3030 |
273000392 |
OUTLET HOSE HoseAirExitIntercooler(1個)
|
|
3040 |
293650244 |
TRIDON GEAR CLAMP TridonGearClamp(1個)
|
|
3045 |
293650179 |
CLAMP-TRIDON TridonClamp(1個)
|
|
3070 |
293850094 |
STRAP-TANK FUE FuelTankStrap(2個)
|
|
3075 |
293850093 |
STRAP-FUEL TANK FuelTankStrap(2個)
|
|
3500 |
293750001 |
TIE-RAP 94MM Tie-Rap94mm(2個)
|
|
3540 |
414115200 |
TIE-RAP 180MM Tie-Rap180mm(1個)
|
|
3545 |
414115200 |
TIE-RAP 180MM Tie-Rap180mm(1個)
|
|
3550 |
241152060 |
HEX WASHER HEAD PT SCREW Hex.FlangedScrewK50X20(3個)
|
|