純正パーツカタログよりご注文又はお見積
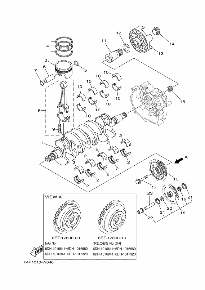
YAMAHA MarineJet  2021年式  MJ-GP1800R SVHO Azure Blue with White > 04 クランクシヤフト & ピストン

見出番号

部品番号

部品名

数量

1

6ET-11411-00

クランクシヤフト
クランクシヤフト×1個

2

6S5-11416-00

プレ-ンベアリング,クランクシヤフト1
プレ-ンベアリング,クランクシヤフト-1×10個

2

6S5-11416-10

プレ-ンベアリング,クランクシヤフト1
プレ-ンベアリング,クランクシヤフト-1×10個

2

6S5-11416-20

プレ-ンベアリング,クランクシヤフト1
プレ-ンベアリング,クランクシヤフト-1×10個

2

6S5-11416-30

プレ-ンベアリング,クランクシヤフト1
プレ-ンベアリング,クランクシヤフト-1×10個

2

6S5-11416-40

プレ-ンベアリング,クランクシヤフト1
プレ-ンベアリング,クランクシヤフト-1×10個

3

6ET-11631-01-B0

ピストン(STD)
ピストン-(STD)×4個

4

6S5-11603-00

ピストンリングセツト(STD)
ピストンリングセツト-(STD)×4個

5

93450-22174

サ-クリツプ
サ-クリツプ×4個

6

6ET-11633-00

ピン,ピストン
ピン,ピストン×4個

7

93450-22174

サ-クリツプ
サ-クリツプ×4個

8

6S5-11650-10

コネクテイングロツドアセンブリ
コネクテイングロツドアセンブリ×4個

9

6S5-11654-10

ボルト,コネクテイングロツド
.-ボルト,コネクテイングロツド×2個

10

6S5-11656-40

プレ-ンベアリング,コンロツド
プレ-ンベアリング,コンロツド×8個

10

6S5-11656-50

プレ-ンベアリング,コンロツド
プレ-ンベアリング,コンロツド×8個

10

6S5-11656-60

プレ-ンベアリング,コンロツド
プレ-ンベアリング,コンロツド×8個

10

6S5-11656-70

プレ-ンベアリング,コンロツド
プレ-ンベアリング,コンロツド×8個

11

6S5-17572-01

シヤフト,トランスフア
シヤフト,-トランスフア×1個

12

6S5-12289-00

ワツシヤ
ワツシヤ×1個

13

6S5-45813-01-94

フランジ,カツプリング
フランジ,カツプリング×1個

14

6S5-17525-01

ホルダ2
ホルダ-2×1個

15

6S5-11459-01

ナツト,スペシヤル
ナツト,スペシヤル×1個

16

6ET-17800-10

ギアユニツトアセンブリ
ギアユニツトアセンブリ×1個

16

6ET-17800-00

ギアユニツトアセンブリ
ギアユニツトアセンブリ×1個

17

6S5-17031-00

ボルト
ボルト×1個

18

6S5-W1783-20

ドライブギヤア&カラーセツト(18T)
ドライブギヤア-&-カラーセツト-(18T)×1個

19

6S5-17529-00

ワツシヤ,スラスト
.-ワツシヤ,スラスト×1個

20

90201-132G5

ワツシヤ,プレ-ト
.-ワツシヤ,プレ-ト×1個

21

99009-24700

サークリツプ
.-サークリツプ×2個

22

6S5-17585-10

カラ-,ギヤ
.-カラ-,ギヤ×1個

23

6S5-17553-00

シヤフト,ミドルドリブン
シヤフト,ミドルドリブン×1個