
|
見出番号 |
部品番号 |
部品名 |
数量 |
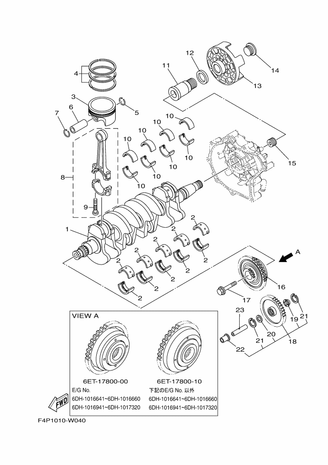
1 |
6ET-11411-00 |
クランクシヤフト クランクシヤフト×1個
|
|
2 |
6S5-11416-00 |
プレ-ンベアリング,クランクシヤフト1 プレ-ンベアリング,クランクシヤフト-1×10個
|
|
2 |
6S5-11416-10 |
プレ-ンベアリング,クランクシヤフト1 プレ-ンベアリング,クランクシヤフト-1×10個
|
|
2 |
6S5-11416-20 |
プレ-ンベアリング,クランクシヤフト1 プレ-ンベアリング,クランクシヤフト-1×10個
|
|
2 |
6S5-11416-30 |
プレ-ンベアリング,クランクシヤフト1 プレ-ンベアリング,クランクシヤフト-1×10個
|
|
2 |
6S5-11416-40 |
プレ-ンベアリング,クランクシヤフト1 プレ-ンベアリング,クランクシヤフト-1×10個
|
|
3 |
6ET-11631-01-B0 |
ピストン(STD) ピストン-(STD)×4個
|
|
4 |
6S5-11603-00 |
ピストンリングセツト(STD) ピストンリングセツト-(STD)×4個
|
|
5 |
93450-22174 |
サ-クリツプ サ-クリツプ×4個
|
|
6 |
6ET-11633-00 |
ピン,ピストン ピン,ピストン×4個
|
|
7 |
93450-22174 |
サ-クリツプ サ-クリツプ×4個
|
|
8 |
6S5-11650-10 |
コネクテイングロツドアセンブリ コネクテイングロツドアセンブリ×4個
|
|
9 |
6S5-11654-10 |
ボルト,コネクテイングロツド .-ボルト,コネクテイングロツド×2個
|
|
10 |
6S5-11656-40 |
プレ-ンベアリング,コンロツド プレ-ンベアリング,コンロツド×8個
|
|
10 |
6S5-11656-50 |
プレ-ンベアリング,コンロツド プレ-ンベアリング,コンロツド×8個
|
|
10 |
6S5-11656-60 |
プレ-ンベアリング,コンロツド プレ-ンベアリング,コンロツド×8個
|
|
10 |
6S5-11656-70 |
プレ-ンベアリング,コンロツド プレ-ンベアリング,コンロツド×8個
|
|
11 |
6S5-17572-01 |
シヤフト,トランスフア シヤフト,-トランスフア×1個
|
|
12 |
6S5-12289-00 |
ワツシヤ ワツシヤ×1個
|
|
13 |
6S5-45813-01-94 |
フランジ,カツプリング フランジ,カツプリング×1個
|
|
14 |
6S5-17525-01 |
ホルダ2 ホルダ-2×1個
|
|
15 |
6S5-11459-01 |
ナツト,スペシヤル ナツト,スペシヤル×1個
|
|
16 |
6ET-17800-10 |
ギアユニツトアセンブリ ギアユニツトアセンブリ×1個
|
|
16 |
6ET-17800-00 |
ギアユニツトアセンブリ ギアユニツトアセンブリ×1個
|
|
17 |
6S5-17031-00 |
ボルト ボルト×1個
|
|
18 |
6S5-W1783-20 |
ドライブギヤア&カラーセツト(18T) ドライブギヤア-&-カラーセツト-(18T)×1個
|
|
19 |
6S5-17529-00 |
ワツシヤ,スラスト .-ワツシヤ,スラスト×1個
|
|
20 |
90201-132G5 |
ワツシヤ,プレ-ト .-ワツシヤ,プレ-ト×1個
|
|
21 |
99009-24700 |
サークリツプ .-サークリツプ×2個
|
|
22 |
6S5-17585-10 |
カラ-,ギヤ .-カラ-,ギヤ×1個
|
|
23 |
6S5-17553-00 |
シヤフト,ミドルドリブン シヤフト,ミドルドリブン×1個
|
|
|