こんにちは、
ゲスト
さん
【
ログイン
】
商品を検索する
オプション
全てのメーカー
AIRHEAD
AQUAGLIDE
AQUAPAC
ATLANTIS
Attwood
BLAST TRAIL
BORIKA
CHUMS
CONNELLY
DENSO
DUTTON
ELF エルフ
FACTORY ZERO
FLYRACING
FREEGUN
FULTON
GET-UP
GETUP CUTE
HONDA
HOT RODS
HTMOTO
HYDROTURF
J-FISH
J-LINES
JETFREAK
JETPILOT
JETRENU
JETTRIBE
KAWASAKI
KSPEED
LABIOS
LARIAT
MAXIMA
MOBBYS
MOELLER
MOTOBATT
Master Lock
NBC
NGK
NIKE
NIXON
O'NEILL
OBRIEN
OCEAN&EARTH
ODI
OPPAMA 追浜工業 オッパマ
OUTDOOR
OWLTECH
POLYFORM ポリフォーム
PRO TORQUE
PROLINE
R&D
REGAR
RIPCURL
RIVA
RULE
S&T エスティー
SAVEPHACE
SAVIVE
SB PRODUCTS エスビープロダクツ
SEA-DOO
SEAJET シージェット
SEALSKINZ
SE サトーエンジニアリング
SGS
SHORAI
SKAT TRAK
SLIPPERY
SOLAS
SOREX
SPORTSSTUFF
SPYDERFLEX
STOLTZ ストルツ
STRAIGHTLINE
SUNTREX
SUZUKI
Surflogic
TIGHTJAPAN
TLS
UNLIMITED
VOLVO
WATERMOVE
WISECO
WORX
WOW
WSM
YAMAHA
YUASA
quakysense
ユニオン
高階救命器具
浅野金属
東洋物産
全てのカテゴリー
アイウエア・ヘッドギア
アウトドアアイテム
UNLIMITED
PWC
船体カバー
ケミカル&メンテナンス
ボート用品
ランチャー&スタンド/物入れラック
おすすめメンテナンス用品
ツール
トレーラー
ヒッチメンバー
ディーラー専用
サイトリニューアルしました。
J-lines 新サイト
https://j-lines.com/
現在ご覧のサイトは
純正部品注文専用の旧サイト
です。
部用品をお求めの取引先様はリニューアル後のサイトをご利用ください。
純正パーツカタログよりご注文又はお見積
KAWASAKI JETSKI 2010年式 ULTRA LX JT1500GAF
>>モデル一覧
セクション一覧
1件目〜8件目(全38件)
前の8件
1
|
2
|
3
|
4
|
5
次の8件
シリンダヘッド
シリンダヘッドカバー
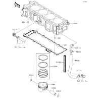
シリンダ ピストン
エアクリーナ
マフラ
バルブ
カムシャフト/テンショナー
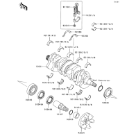
クランクシャフト