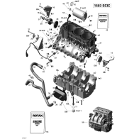
エンジンブロック
クランクシャフト/ピストン/バランサーシャフト
シリンダヘッド
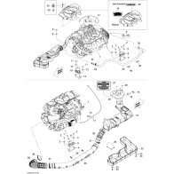
エンジン/エアーインテークサイレンサー
クーリングシステム
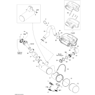
エキゾーストシステム
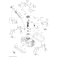
フューエルシステム
オイルセパレーター