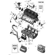
エンジンブロック
クランクシャフト/ピストン/バランサーシャフト
シリンダヘッド
クーリングシステム
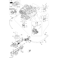
エンジン/エアーインテークサイレンサー
エキゾーストシステム
フューエルシステム
オイルセパレーター