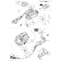
クーリングシステム
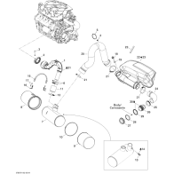
エンジン/エアーインテークサイレンサー
エキゾーストシステム
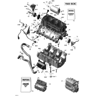
エンジンブロック
クランクシャフト/ピストン
シリンダーヘッド
オイルセパレーター
インテークマニホールド/スロットルボディー