クーリングシステム
クランクシャフト/ピストン/バランサーシャフト
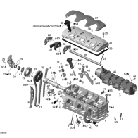
シリンダーヘッド
エンジンブロック
エキゾーストシステム2
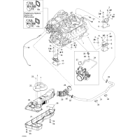
エンジン/エアーインテークサイレンサー
エキゾーストシステム1
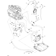
エアーインテークマニホールド/スロットルボディー