クーリングシステム
クランクシャフト/ピストン/バランサーシャフト
シリンダーヘッド
エンジンブロック
エンジンサポート/エアーインテーク
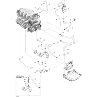
エキゾーストシステム
オイルセパレーター
スーパーチャージャー