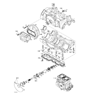
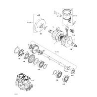
クランクシャフト/ロータリーバリュー
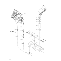
クランクケース/ロータリーバリュー
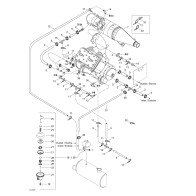
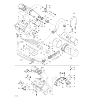
シリンダー/エキゾーストマニフォールド
エンジンサポート/マフラー
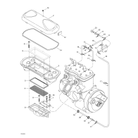
クーリングシステム
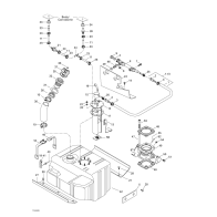
オイルインジェクションシステム
フューエルシステム
エアーインテークシステム