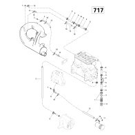
クーリングシステム
クランクケース/ロータリーバリュー
クランクシャフト/ピストン
シリンダー/エキゾーストマニフォールド
エンジンサポートマニフォールド
オイルインジェンクションシステム
オイルインジェンクションシステム/オイルポンプ
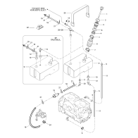
フューエルシステム