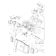
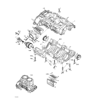
クランクケース/リードバリュー
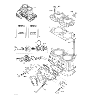
クランクシャフト/ピストン
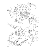
シリンダーエキゾーストマニフォールド
エンジンサポート/マフラー
クーリングシステム
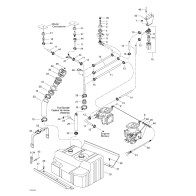
オイルインジェンクションシステム
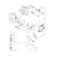
フューエルシステム
エアーインテークシステム