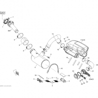
エキズーストシステム
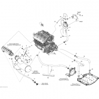
エンジン&エアーインテークサイレンサー
クーリング
エンジンブロック
クランクシャフト、ピストン、バランサーシャフト
シンリンダーヘッド
オイルセパレーター
エアーインテークマニホールド&スロットルバディー