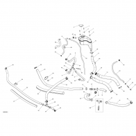
クーリングシステム
エキゾーストシステム
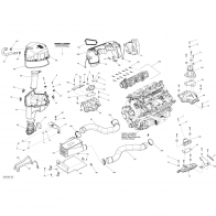
エンジン/エアーインテークサイレンサー
エンジンブロック
クランクシャフト/ピストン/バランサーシャフト
シリンダーヘッド
オイルセパレーター
エアインテークマニフォールド/スロットルボディー