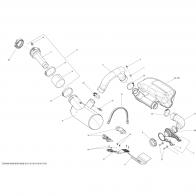
エキゾーストシステム
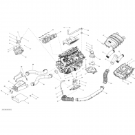
エンジン
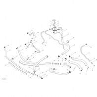
クーリングシステム
クランクシャフト ピストン バランサーシャフト
シリンダーヘッド
エンジンブロック
エアーインテークマニホールド スロットルボディー
オイルセパレーター