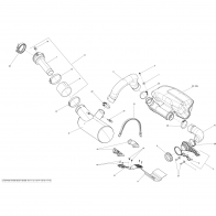
エキゾーストシステム
エンジン
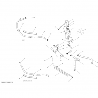
クーリングシステム
クランクシャフト ピストン バランサーシャフト
シリンダ ヘッド
エンジンブロック
エアーインテークマニホールド スロットルボディー
オイルセパレーター