エキゾーストシステム
クランクシャフト ピストン バランサーシャフト
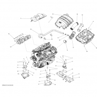
シリンダ ヘッド
エンジンブロック
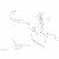
クーリングシステム
エンジン
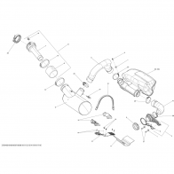
エアーインテークマニホールドスロットルボディー
オイルセパレーター